EasyManua.ls Logo

ebm-papst VBS0630CTTPS - Technical Data; Product Drawing

ebm-papst VBS0630CTTPS
17 pages
Print Icon
To Next Page IconTo Next Page
To Next Page IconTo Next Page
To Previous Page IconTo Previous Page
To Previous Page IconTo Previous Page
Loading...
Operating instructions
8300100093
VBS0630CTTPS
Translation of the original operating instructions
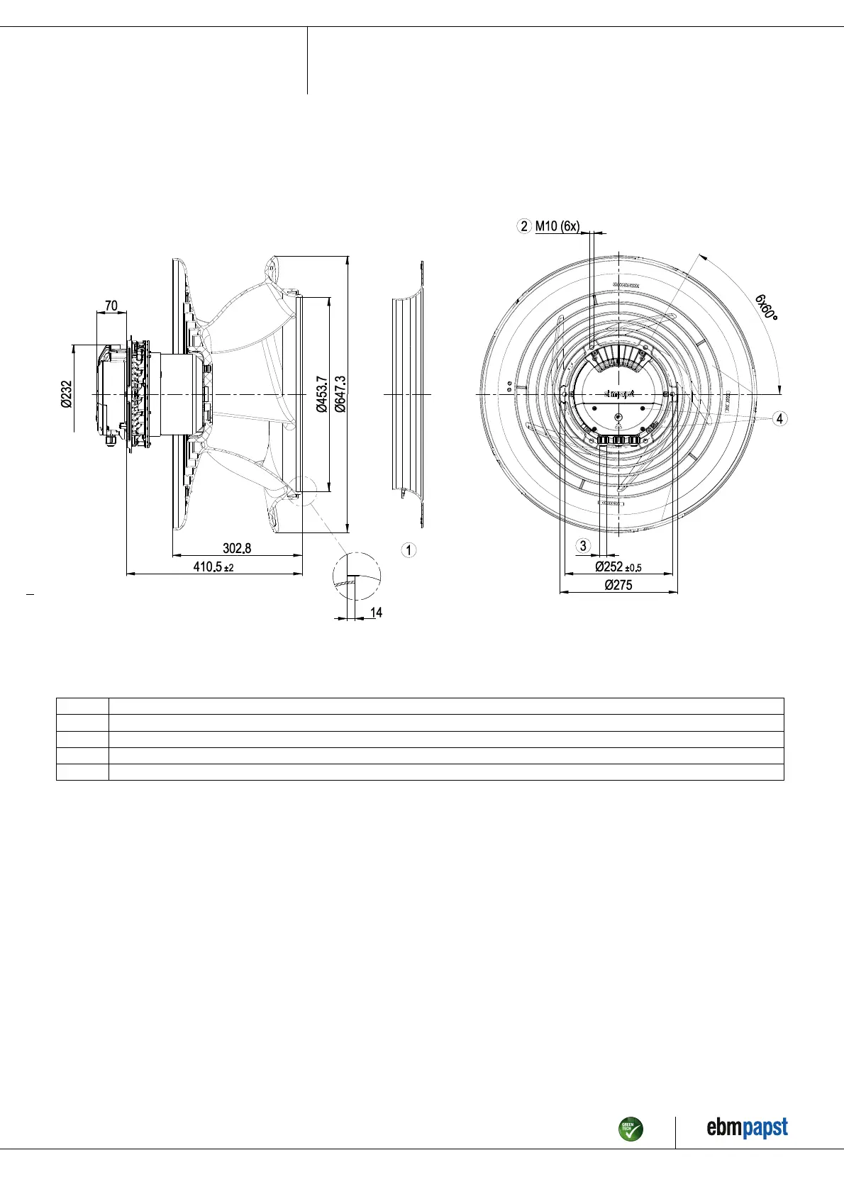
3. TECHNICAL DATA
3.1 Product drawing
All dimensions in mm.
1 Accessory part: Inlet ring 8217102236 with pressure tap (k-factor: 463) (not included in scope of delivery)
2 Max. clearance for screw 20 mm
3 Cable diameter min. 4 mm, max. 10 mm, tightening torque 4 ± 0.6 Nm
(The tightening torque is designed for PVC cables. If the cable materials are different, the tightening torque may have to be adjusted)
4 Tightening torque 1.5 ± 0.2 Nm
Item no. 1170000590 · ENU · Change 262664 · Approved 2022-10-26 · Page 4 / 17
ebm-papst Mulfingen GmbH & Co. KG · Bachmühle 2 · D-74673 Mulfingen · Phone +49 (0) 7938 81-0 · Fax +49 (0) 7938 81-110 · info1@de.ebmpapst.com · www.ebmpapst.com

Related product manuals