EasyManua.ls Logo

EBS Classic Session30 - Block Diagram; Panel Controls and Functions; Input Jack; Gain Control

EBS Classic Session30
4 pages
Print Icon
To Next Page IconTo Next Page
To Next Page IconTo Next Page
To Previous Page IconTo Previous Page
To Previous Page IconTo Previous Page
Loading...
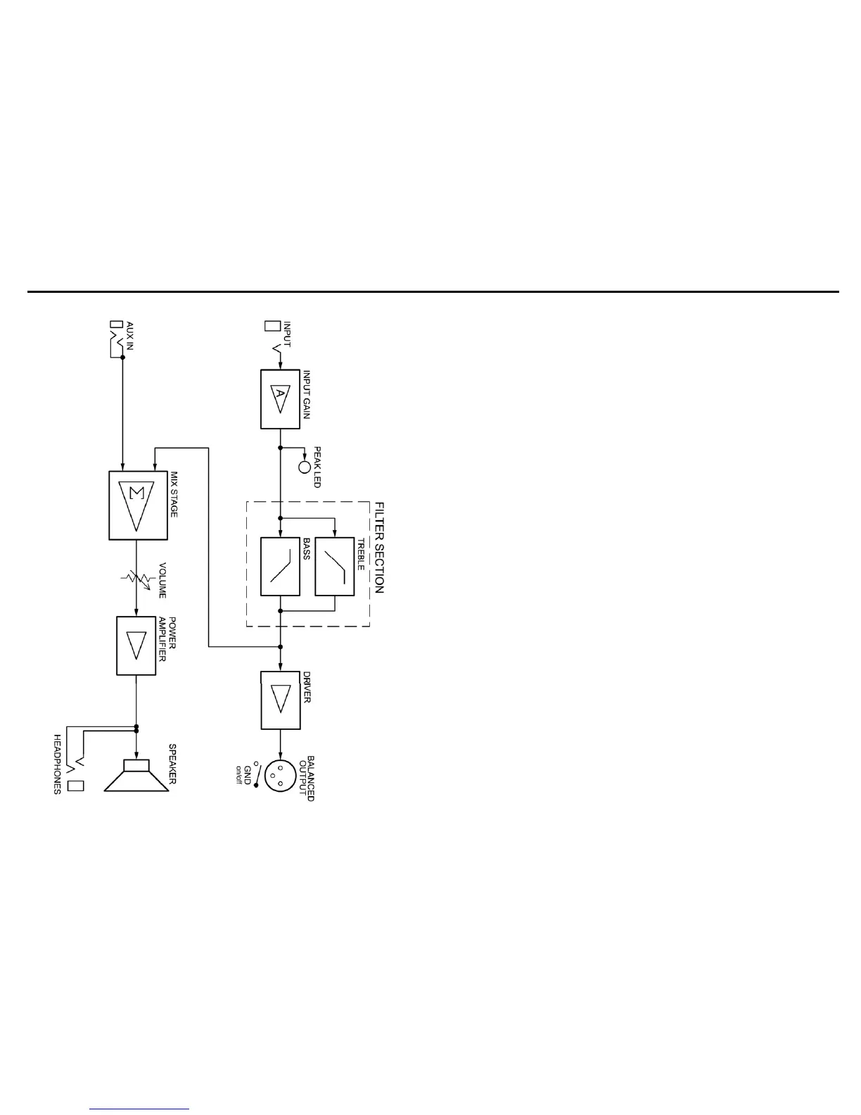
BLOCK DIAGRAM PANEL CONTROLS AND FUNCTIONS
6 3
INPUT - A low noise, high impedance
instrument input for all types of
instruments, active and passive.
___________________________________
GAIN - Control to adjust the instruments'
signal strength to the right operating level in
the Session120.
For optimum basic signal level, turn up the
GAIN knob until the PEAK led starts
flashing from the strongest signal from the
instrument.
Note: A correctly set GAIN is vital for the
signal processing to work properly in the
Session30.
__________________________________
AUX IN - This input will accept a stereo or
mono 3.5mm plug and gives you the option
of mixing in an external source such as
MP3 player or similar to the Session30.
Since this input does not have any level
control, be sure to control the volume from
the source.
Both channels will be mixed in from this
input.
The signal at this input will not be present
at the balanced output.
VOLUME - The VOLUME knob controls
all volume in the unit, controlling the
poweramp/speaker and headphones
output. The balanced output (XLR) is not
effected by the setting of this knob.
__________________________________
HEADPHONES – Connect your favorite
headphones here. By connecting the head-
phones the speakers will automatically be
muted. This headphones output is a mono
output.
__________________________________
BALANCED OUTPUT - Is a high
quality balanced output that functions as a
line box for connecting to PA mixing
consoles or to studio or broadcast
recording units.
Lifting ground is a great aid in many
occasions. When required, set the Gnd Lift
switch to inner position to disconnect the
ground from the output.
The Aux In signal is not present at this
output.
__________________________________
POWER – Powers the unit on or off.

Related product manuals