EasyManua.ls Logo

Echo SRM-3021TES - Description

Echo SRM-3021TES
164 pages
Print Icon
To Next Page IconTo Next Page
To Next Page IconTo Next Page
To Previous Page IconTo Previous Page
To Previous Page IconTo Previous Page
Loading...
8
Description
Description
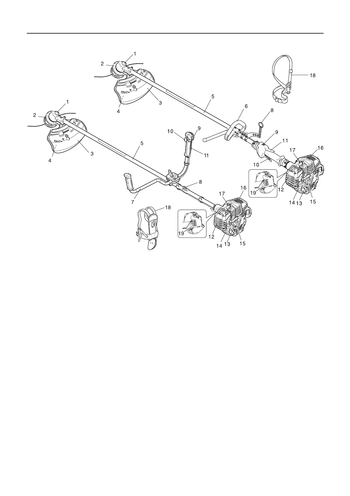
1. Angle transmission Having two gears to change the
angle of rotating axis.
2. Cutting attachment Nylon line cutting head for cutting
grass and weed.
3. Shield Device to protect the operator from accidental
contact with the cutting head and thrown objects.
4. Cut off knife Cut nylon line to adjust line length to prop-
er swath.
5. Shaft tube Part of the unit that provides a casing for
power transmission shaft.
6. Loop-handle Light weight, suitable for nylon line trim-
mer.
7. U-handle Having the configuration of a bicycle handle
bar to reduce working effort compared to a loop-handle.
8. Suspension point Device on which the harness can be
hooked.
9. Ignition switch "Slide switch" mounted on top of the
throttle trigger housing, move switch forward to RUN,
backward to STOP position.
10. Throttle trigger Activated by the operator's finger for
controlling the engine speed.
11. Throttle trigger lockout Locks throttle trigger in the
idling position until you have a proper grip with your right
hand around the handle.
12. Air cleaner cover Covers air filter.
13. Fuel tank cap For closing the fuel tank.
14. Fuel tank Contains fuel and fuel filter.
15. Starter handle Pull handle to start the engine.
16. Silencer cover Cover the silencer not to make operator
touch the hot surface of silencer.
17. Spark plug
18. Shoulder harness An adjustable strap to suspend unit.
19. Type and serial number

Table of Contents

Related product manuals