EasyManua.ls Logo

Echo SRM-3021TES - Descripción

Echo SRM-3021TES
164 pages
Print Icon
To Next Page IconTo Next Page
To Next Page IconTo Next Page
To Previous Page IconTo Previous Page
To Previous Page IconTo Previous Page
Loading...
8
Descripción
Descripción
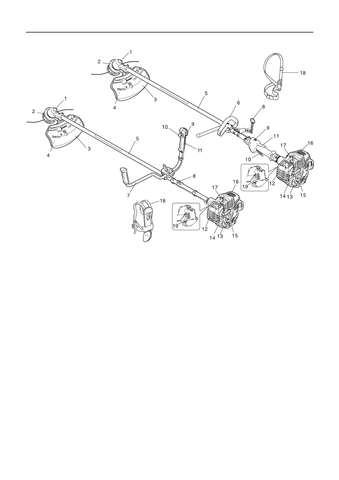
1. Transmisión en ángulo Con dos engranajes para
cambiar el ángulo del eje giratorio.
2. Accesorio de corte Cabezal con hilo de nylon para
cortar césped y malas hierbas.
3. Escudo Dispositivo para proteger al usuario de un con-
tacto accidental con el cabezal de corte o con los obje-
tos lanzados por el mismo.
4. Cuchillo de corte Corta el hilo de nylon para ajustar la
longitud del mismo.
5. Tubo del eje Pieza del equipo que contiene el eje de
transmisión de potencia.
6. Manillar único Ligero y adecuado sólo para el equipo
con cabezal de hilo de nylon.
7. Manillar doble Tiene la configuración de un manillar de
bicicleta, reduciendo el esfuerzo de trabajo si se le com-
para con el manillar único.
8. Punto de suspensión Dispositivo al que puede engan-
charse el arnés.
9. Interruptor de encendido "Interruptor deslizable"
montado en la parte superior de la caja del gatillo del
acelerador. Deslícelo hacia adelante para ARRANCAR
el motor y hacia atrás para PARARLO.
10. Gatillo del acelerador Se acciona con el dedo y sirve
para controlar la velocidad del motor.
11. Bloqueo del gatillo del acelerador Bloquea el gatillo
en la posición de ralentí, hasta que su mano derecha
agarre bien el manillar.
12. Tapa del filtro de aire Recubre y protege el filtro de ai-
re.
13. Tapón del depósito de combustible Para cerrar el de-
pósito de combustible.
14. Depósito de combustible Contiene el combustible y el
filtro de combustible.
15. Tirador del estárter Tire de este tirador para arrancar
el motor.
16. Tapa del silenciador Cubre el silenciador para que el
usuario no toque la superficie caliente del mismo.
17. Bujía
18. Arnés Tiras ajustables de las que se cuelga el equipo.
19. Tipo y número de serie

Table of Contents

Related product manuals