EasyManua.ls Logo

Eckold HF 100 - Abmessungen und Gewicht; Dimensions and Weights; Dimensions Et Poids; Dimensioni E Pesi; Medidas y Peso; Umformkraft; Forming Capacity; Capacités de Formage; Capacità DI Formatura

Eckold HF 100
57 pages
Print Icon
To Next Page IconTo Next Page
To Next Page IconTo Next Page
To Previous Page IconTo Previous Page
To Previous Page IconTo Previous Page
Loading...
6
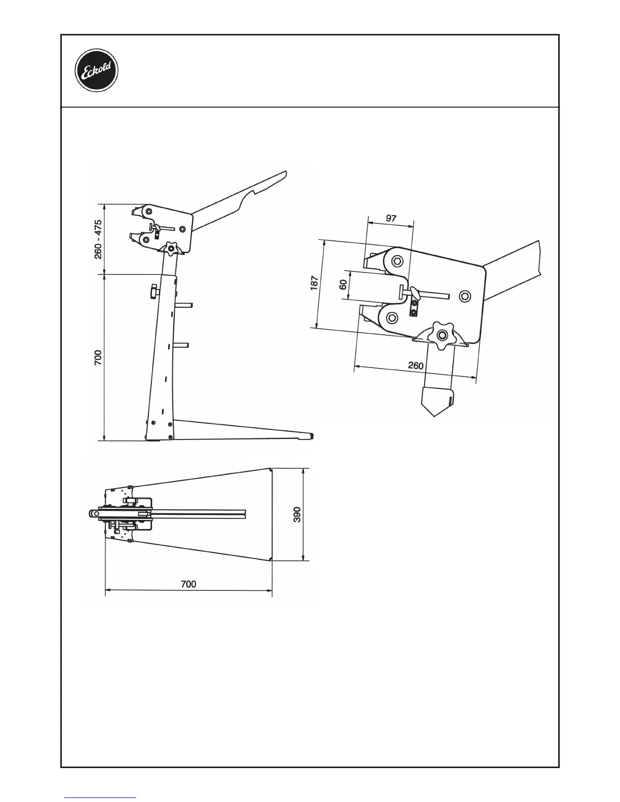
Typ HF 100
Abmessungen und Gewicht / Dimensions and weights / Dimensions et poids / Dimensioni e pesi /
Medidas y peso
Nettogewicht / Net weight /
Poids net / Peso netto / Nettogewicht :
- ohne Ständer / without stand /
sans support / senza colonna /
sin soporte ~12.5 Kg
- mit Ständer / with stand /
avec support / con colonna /
con soporte ~27.2 Kg
- Stahl / Steel / Acier / Acciaio / Acero (400N/mm
2
) max 1,5 mm
- Alu. / Allu. (250N/mm
2
) max 2.0 mm
- Inox / Stainless steel (600N/mm
2
) max 1.0 mm
Umformkraft / Forming capacity / Capacités de formage /
Capacità di formatura
Technische Daten
Technical Data / Données techniques / Dati tecnici / Características técnicas

Table of Contents