EasyManua.ls Logo

Ecler MPA4-150 - Page 145

Ecler MPA4-150
149 pages
Print Icon
To Next Page IconTo Next Page
To Next Page IconTo Next Page
To Previous Page IconTo Previous Page
To Previous Page IconTo Previous Page
Loading...
drawn: date:
041109
project:
EP05-99
product:
MPA 4-150
number:
30.0112
version
01.05
approved:
Jordi Folc
h
title:
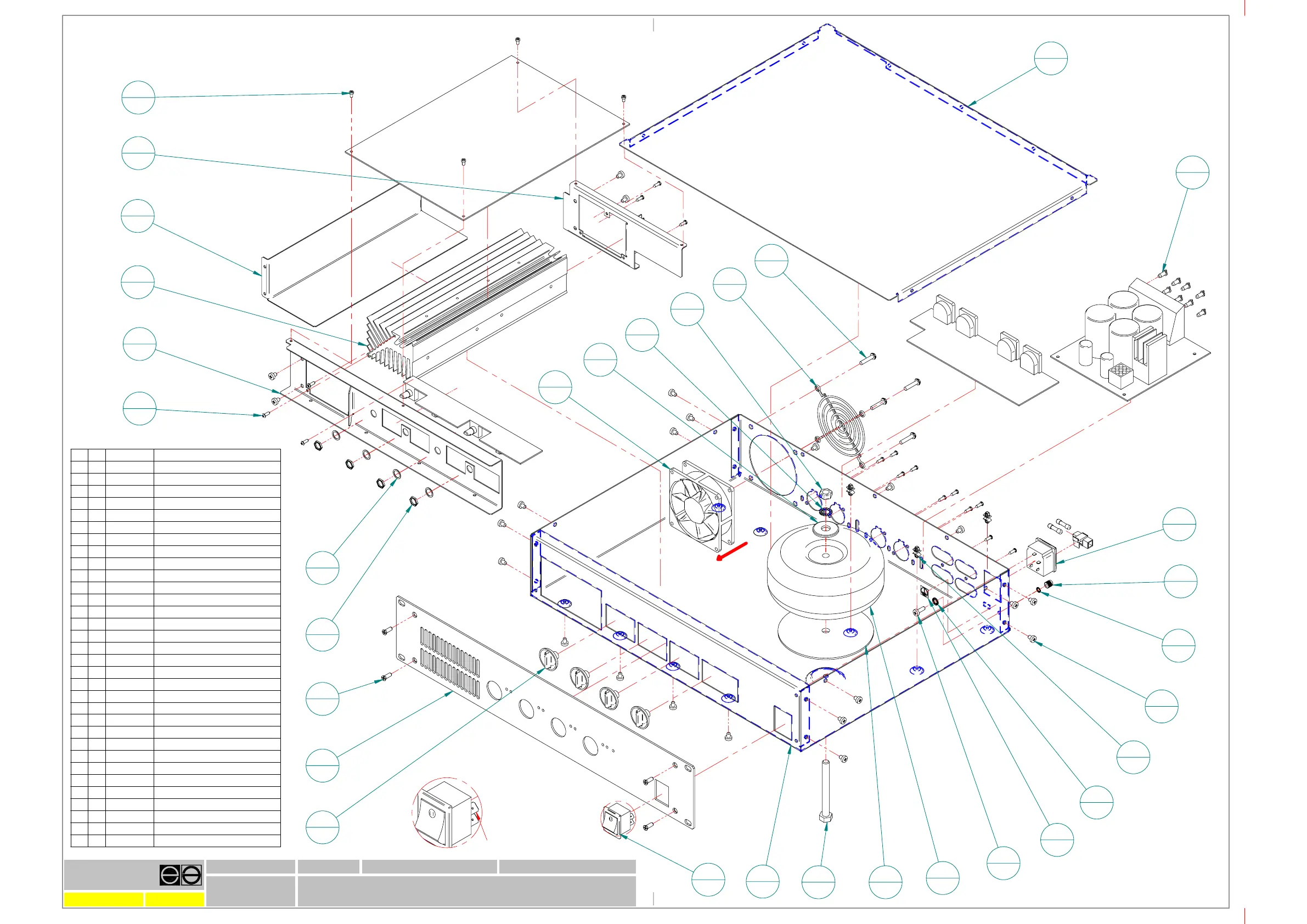
MECHANICAL DIAGRAM
E
C
LER
A
I
R
F
L
O
W
19
1
20
1
21
1
22
1
23
1
24
1
7
8
25
1
26
4
11
4
12
1
14
25
15
4
16
4
13
16
32
1
30
1
18
4
10
3
17
1
9
1
5
1
1
1
31
1
3
1
2
4
4
1
6
1
8
1
27
1
29
1
28
1
Qty. Code Description
1 1 FCARDE040000 TOOTHED WASHER M4
2 4 FCARDEPOTE00 ROTARY POT. WASHER M9
3 1 FCARM1050000 WASHER 10,5X30X2,5M
4 1 FCARS4000000 SEGMENTED WASHER M4
5 1 FCBOR0030000 GROUND TERMINAL
6 1 FCETIZTT0000 EARTH TAG
7 8 FCINSPLA10/11 BINDING P. SECURITY CAP
8 1 FCINTRED3000 MAINS SWITCH W/LIGHT
9 1 FCREJ0800000 FAN GRILLE 80x80
10 3 FCSEPWLS0600 PLASTIC SPACER 6MM
11 4 FCT060512000 SCREW 5,1x20
12 1 FCT380401200 SCREW M4x12 TRILOB.
13 16 FCT700290900 SCREW 2,9x9,5 D7981 BLACK
14 25 FCT804006000 SCREW M4x6 SPANLO BLACK
15 4 FCT804012000 SCREW M4x12 D965 SPANLO
16 4 FCT850300500 SCREW M3x5 REDUCED HEAD
17 1 FCTFTMPA8000 TRANSFORMER EP05
18 4 FCTUPOT00000 ROTARY POT. NUT M9
19 1 FP0247700000 BASE CHASSIS
20 1 FP0247800000 TOP COVER
21 1 FP0247900000 FRONT PANEL
22 1 FP0248000000 FRONT MECHANICAL SUPPORT
23 1 FP0248100000 REAR MECHANICAL SUPPORT
24 1 FP0250900000 HEATSINK MECHANICAL COVER
25 1 FRBASRE20700 MAINS SOCKET FUSE 8A
26 4 FRBOTRD24000 ROTARY KNOB D24
27 1 FRTUNEL06150 POWER AMP MODULE
28 1 FRVEN080B000 FAN 80x80 12VDC CABLE=300
29 1 GENERIC TRANSFORMER RUBBER DISC
30 1 GENERIC TRANSFORMER NUT M8
31 1 GENERIC TOOTHED WASHER M8
32 1 GENERIC SCREW M8 TRANSFORMER
A
DETAIL A
WITH TERMINALS DOWN

Related product manuals