EasyManua.ls Logo

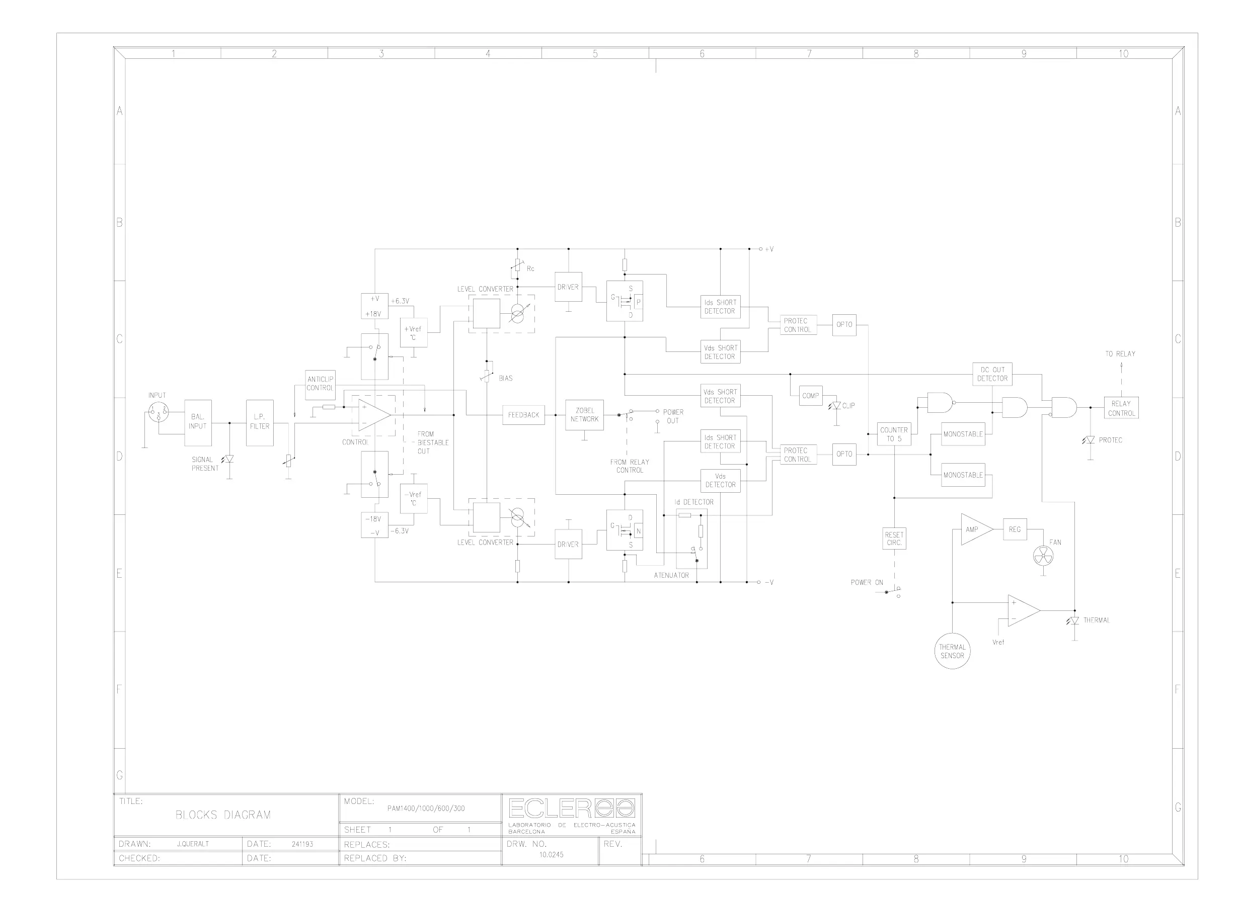
Ecler PAM1400 - BLOCK DIAGRAM

Ecler PAM1400
183 pages
Print Icon
To Next Page IconTo Next Page
To Next Page IconTo Next Page
To Previous Page IconTo Previous Page
To Previous Page IconTo Previous Page
Loading...

Related product manuals