EasyManua.ls Logo

Eco Physics CLD 780 TR - Page 27

Eco Physics CLD 780 TR
196 pages
Print Icon
To Next Page IconTo Next Page
To Next Page IconTo Next Page
To Previous Page IconTo Previous Page
To Previous Page IconTo Previous Page
Loading...
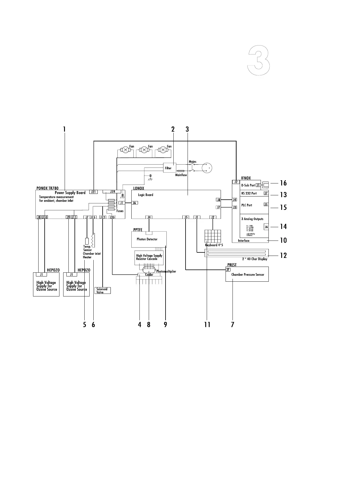
E C O P H Y S I C S Measurement principle
CLD 780 TR / July 2000 24
Fig. 3.3
“CLD 780 TR Block Diagram”
1 Power supply board
(PONOX TR780)
2 Mains power filter
3 Control board (LONOX)
4 Cooler
5 Temperature sensor
6 Reactor inlet heating
7 Reactor pressure sensor
(PREST)
8 Photomultiplier (PMT)
9 Pulse-shaper board
(PPTFE)
10 Interface board (IFNOX)
11 Keypad
12 Display
13 RS-232 interface
14 Analog output connector
15 PLC interface
16 Socket for digital & ana-
log I/O (DB25)