EasyManua.ls Logo

Ecoflam MAX P 15 - Page 29

Ecoflam MAX P 15
Print Icon
To Next Page IconTo Next Page
To Next Page IconTo Next Page
To Previous Page IconTo Previous Page
To Previous Page IconTo Previous Page
Loading...
29
420010355103 Max P15-25 / P15-25 AB
IT
EN
FR
ES
RU
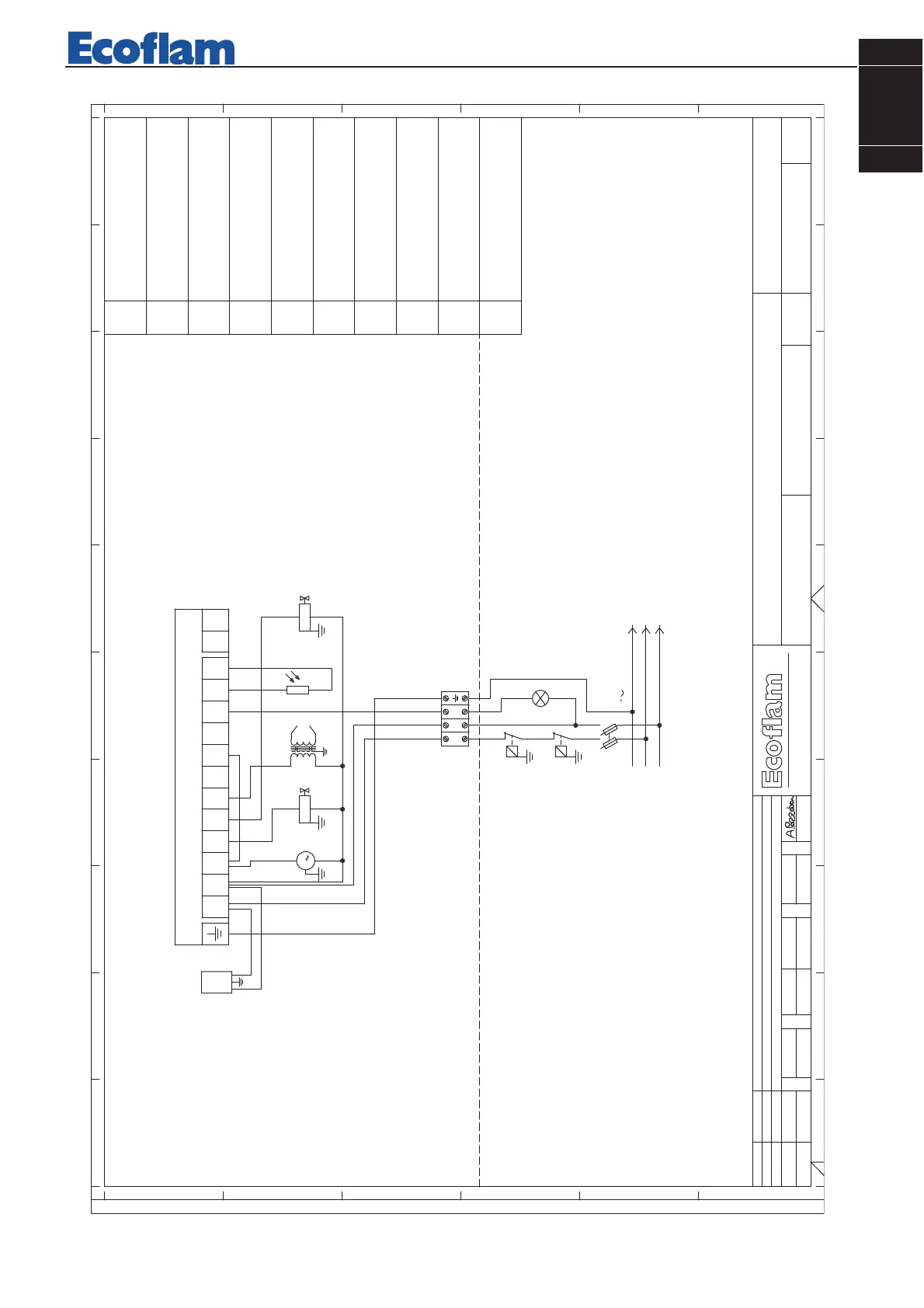
7
LANDIS LOA 24
312 546 1198 10 12 31 32
M
1
B FOTORESISTENZA
Q INTERRUTTORE GENERALE CON FUSIBILE
Z FILTRO ANTIDISTURBO
MV MOTORE VENTILATORE
TV TRASFORMATORE
HLB LAMPADA DI BLOCCO
STC TERMOSTATO CALDAIA
STS TERMOSTATO DI SICUREZZA
YVg1 ELETTROVALVOLA GASOLIO DI PRIMA FIAMMA
YVg2 ELETTROVALVOLA GASOLIO DI SECONDA FIAMMA
MAIN SWITCH WITH FUSE
INTERRUPTEUR GENERAL AVEC FUSIBLE
INTERRUPTOR GENERAL CON FUSIBLE
FIRST STAGE OIL SOLENOID VALVE
ELECTROVANNE MAZOUT PETITE ALLURE
ELECTROVALVULA DE GASOLEO 1^ LLAMA
SECOND STAGE OIL SOLENOID VALVE
ELECTROVANNE MAZOUT GRANDE ALLURE
ELECTROVALVULA DE GASOLEO 2^ LLAMA
LUCK-OUT LAMP
LAMPE DE SECURITE
ESPIA DE BLOQUEO
BOILER THERMOSTAT
THERMOSTAT CHAUDIERE
TERMOSTATO CALDERA
SAFETY THERMOSTAT
THERMOSTAT DE SECURITE
TERMOSTATO DE SEGURIDAD
ANTJAMMING FILTER
FILTRE ANTIPARASITES
FILTRO DE PROTECION ANTIDISTURBIO
MOTOR FAN
MUTEUR VENTILATEUR
MOTOR VENTILADOR
IGNITION TRANSFORMER
TRANSFORMATEUR D'ALLUMAGE
TRANSFORMADOR
PHOTO-RESISTOR
PHOTORESISTANCE
FOTORESISTENCIA
CONNECTIONS TO BE MADE
BY INSTALLER
CONNEXIONS A EFFECTUER
PAR L'INSTALLATEUR
CONEXIONES A EFECTUAR
POR EL INSTALADOR
COLLEGAMENTI DA EFFETTUARSI
DA PARTE DELL'INSTALLATORE
00 01 02 03 04 05 06 07 08 09
A
00 01 02 03 04 05 06 07 08 09
B
C
D
E
A
B
C
D
E
S.p.A.
SOST.DA
IND.MOD.
SOST.IL
PROPRIETA' RISERVATA DELLA DITTA ECOFLAM S.p.A.
DESCRIZIONE MODIFICA
DISEGNATO
CONTROLLATO
DATA-FIRMA
DATA
FIRMA
DATA
FIRMA
COMUNICARE A TERZI IL CONTENUTO DEL PRESENTE.A TERMINE DI LEGGE E' VIETATO RIPRODURRE O
CONTROLLO DI TENUTAAPPARECCHIATURA
UFF.TECNICO-SETTORE ELETTRICO
DENOMINAZIONE
SIST. RIVELAZ. CODICE IND.MODIFICA
MOTORIDUTTORE
T
P
T
P
BEM24021
MAX P 15 - 25
LANDIS LOA 24 B
09-03-2004
YVg1 YVg2
TV
B
MV
HLB
STS
N
50 Hz 230 V
Q
L
PE
STC
LN3
Z

Related product manuals