EasyManua.ls Logo

EdilKamin Idrotech - Page 45

EdilKamin Idrotech
Print Icon
To Next Page IconTo Next Page
To Next Page IconTo Next Page
To Previous Page IconTo Previous Page
To Previous Page IconTo Previous Page
Loading...
- 45 -
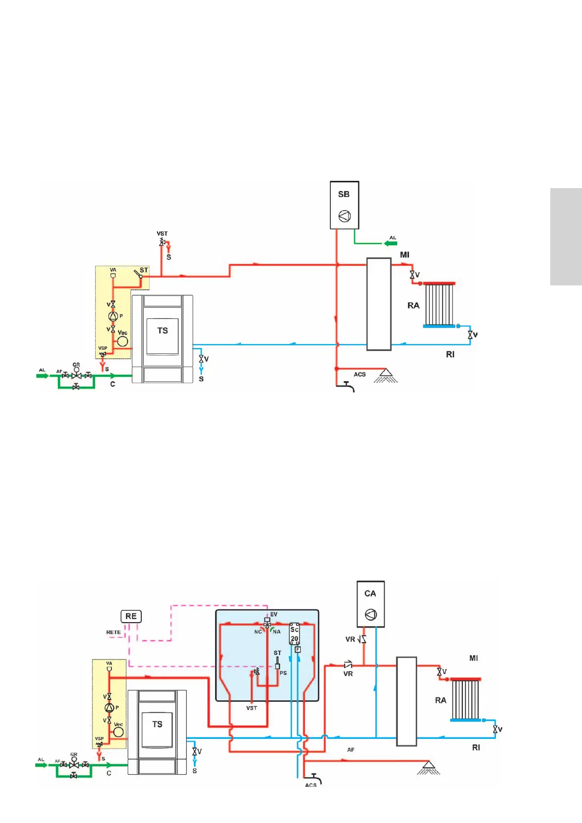
Installation Thermopoêle pour chauffage combiné au chauffe-eau
Ce schéma est fourni à seul titre indicatif,
l’installation correcte doit être effectuée par votre chauffagiste.
LÉGENDE
AF Eau froide
AL Alimentation réseau hydraulique
C Chargement/Réintégration
EV3 Électrovanne à 3 voies
NA Normalement ouverte
CC Normalement fermée
GR Groupe de remplissage
MI Refoulement installation
P Pompe (circulateur)
RA Radiateurs
RI Retour installation
S Déchargement
SB Chauffe-eau
ST Sonde température
TS Thermopoêle
TC Thermostat à contact
V Soupape à bille
VA Soupape automatique évacuation air
Vec Vase d’expansion fermé
VR Soupape antiretour
VSP Soupape de sécurité à pression
Installation Thermopoêle avec production d’eau chaude
sanitaire avec kit 4 assemblé, combiné à la chaudière
Ce schéma est fourni à seul titre indicatif,
l’installation correcte doit être effectuée par votre chauffagiste.
LÉGENDE
ACS Eau chaude sanitaire
AF Eau froide
AL Alimentation réseau hydraulique
C Chargement/Réintégration
CA Chaudière murale
EV Électrovanne à 3 voies
NA : Normalement ouverte
NC : Normalement fermée
F Manostat
GR Groupe de remplissage
MI Refoulement installation
P Pompe (circulateur)
PS Puisard sonde
RA Radiateurs
RE Régulateur électronique
RI Retour installation
S Déchargement
SC Échangeur à plaques
ST Sonde température
TS Thermopoêle
V Soupape à bille
Vec Vase d’expansion fermé
VR Soupape antiretour
VSP Soupape de sécurité à pression
VST Soupape d’échappement thermique
FRANÇAIS
FRANÇAIS
Composants internes du poêle
Collecteur
Composants internes du poêle
Collecteur

Related product manuals