EasyManua.ls Logo

EdilKamin Idrotech - Page 46

EdilKamin Idrotech
Print Icon
To Next Page IconTo Next Page
To Next Page IconTo Next Page
To Previous Page IconTo Previous Page
To Previous Page IconTo Previous Page
Loading...
- 46 -
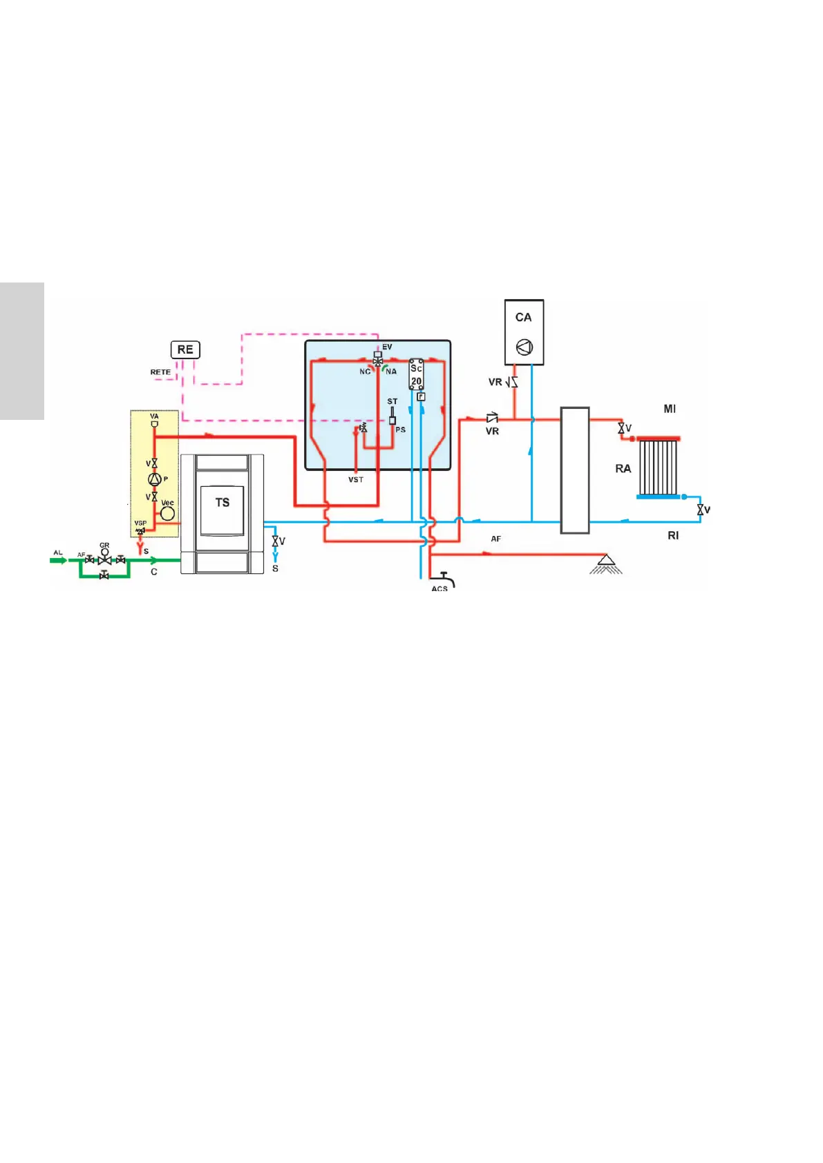
Installation Thermopoêle comme source de chaleur unique,
avec production d’eau chaude sanitaire avec bouilleur
Prévoir un régulateur électronique opportun pour la gestion du bouilleur.
Ce schéma est fourni à seul titre indicatif,
l’installation correcte doit être effectuée par votre chauffagiste.
LÉGENDE
ACS Eau chaude sanitaire
AL Alimentation réseau hydraulique
B Bouilleur
C Chargement/Réintégration
EV2 Électrovanne à 2 voies
EV3 Électrovanne à 3 voies
NA : Normalement Ouverte
NC : Normalement Fermée
GR Groupe de remplissage
M Soupape mitigeur
MI Refoulement installation de retour
P Pompe (circulateur)
RA Radiateurs
RE Résistance électrique
RI Retour installation
S Déchargement
SI Sonde à immersion
TS Thermopoêle à pellets
V Soupape à bille
VA Soupape automatique évacuation air
Vec Vase d’expansion fermé
VSP Soupape de sécurité à pression
ATTENTION : en cas de production d’ACS, la puissance aux radiateurs diminue.
ACCESSOIRES
Dans les schémas ci-dessus, l’on a prévu l’emploi d’accessoires disponibles dans les listes des tarifs Edilkamin
Kit 4 (code 264290) kit préassemblé pour thermopoêle, pour la production d’eau chaude sanitaire (échangeur à 20 plaques,
soupape à trois voies motorisée, soupape d’échappement thermique, manostat et régulateur électronique) A placer au maximum à
1 mètre du poêle.
Option boîtier pour insertion murale du kit (code 262140).
Bouilleurs à un (code 264750) ou à deux (code 264760) échangeurs xes, pour produire et accumuler l’eau chaude sanitaire.
Capacité 150 l.
Des pièces détachées sont, en outre, disponibles (échangeur, soupapes, etc.)
PREMIER ALLUMAGE (REVENDEUR)
Vérier que le système hydraulique est correctement réalisé et qu’il est doté d’un vase d’expansion sufsant pour garantir la
sécurité. La présence du vase incorporé dans le thermopoêle NE GARANTIT PAS une protection adéquate contre les dilatations
thermiques subies par l’eau de toute l’installation.
Alimenter électriquement le poêle et effectuer l’essai à froid (à faire réaliser par le REVENDEUR).
Remplir l’installation avec le robinet de remplissage (il est recommandé de ne pas dépasser la pression de 1 bar)
Durant la phase de remplissage, “purger” la pompe et le robinet de purge.
FRANÇAIS
FRANÇAIS
Composants internes du poêle
Collecteur

Related product manuals