EasyManua.ls Logo

EHC Fusion - Page 12

EHC Fusion
16 pages
Print Icon
To Next Page IconTo Next Page
To Next Page IconTo Next Page
To Previous Page IconTo Previous Page
To Previous Page IconTo Previous Page
Loading...
12
GB-016C_f.493
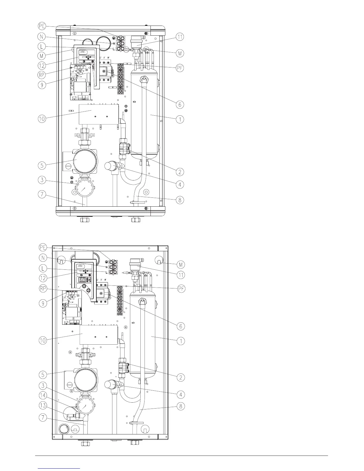
Slimline boiler
1 - heat exchanger
2 - flow sensor
3 - manometer
4 - safety valve
5 - circulating pump
6 - safety temperature limiter
7 - return inlet
8 - flow outlet
9 - ZIO board
10 - power board
11 - automatic vent
12 - control board
PF - points of electric mains connection (phases)
PN - electrical connections
L - live
PE - permanent earth
N - neutral
M - boiler fixing positions
RP - control stat connections
Fusion boiler
1 - heat exchanger
2 - flow sensor
3 - manometer
4 - safety valve
5 - circulating pump
6 - safety temperature limiter
7 - return inlet
8 - flow outlet
9 - ZIO board
10 - power board
11 - automatic vent
12 - control board
13 - expansion vessel connection
14 - expansion vessel
PF - points of electric mains connection (phases)
PN - electrical connections
L - live
PE - permanent earth
N - neutral
M - boiler fixing positions
RP - control stat connections

Related product manuals