EasyManua.ls Logo

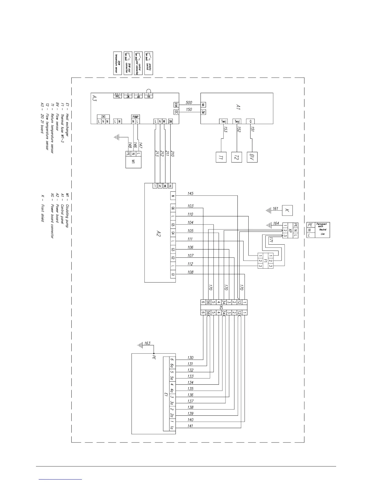
EHC Fusion - Internal Boiler Wiring

EHC Fusion
16 pages
Print Icon
To Next Page IconTo Next Page
To Next Page IconTo Next Page
To Previous Page IconTo Previous Page
To Previous Page IconTo Previous Page
Loading...
9
GB-016C_f.493
INTERNAL BOILER WIRING

Related product manuals