EasyManua.ls Logo

eka KF 1001G - Wiring Layout

eka KF 1001G
19 pages
Print Icon
To Next Page IconTo Next Page
To Next Page IconTo Next Page
To Previous Page IconTo Previous Page
To Previous Page IconTo Previous Page
Loading...
_TECNOEKA Srl___________________________________________________________ use and instruction manual _
_ page 18 _________________________________________________________________________________________
8
88
8.
..
.
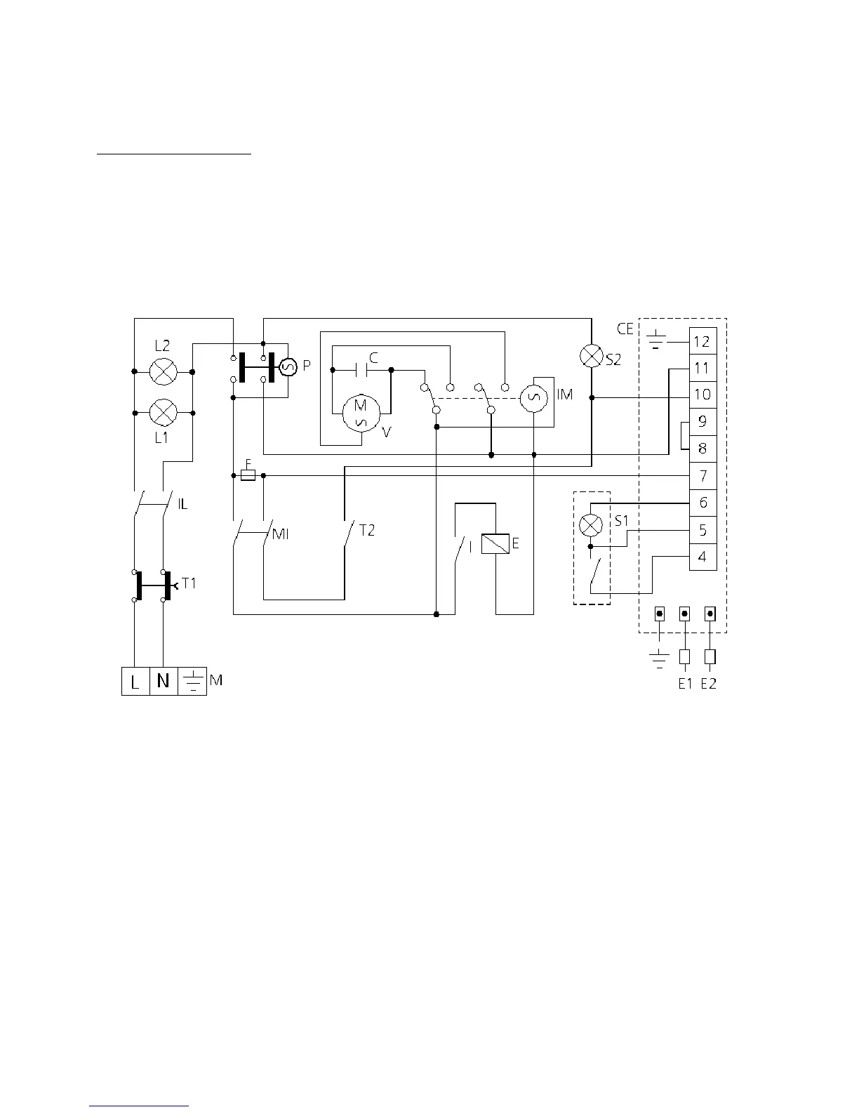
WIRING LAYOUT
WIRING LAYOUTWIRING LAYOUT
WIRING LAYOUT
MOD
MODMOD
MODD
DD
D.
. .
.
KF 100
KF 100KF 100
KF 1001
11
1G
GG
G
KF
KF KF
KF 1001G
1001G1001G
1001G-
--
-HT
HTHT
HT
KF 1001G IX AL
KF 1001G IX ALKF 1001G IX AL
KF 1001G IX AL
KF 1001G IX AL
KF 1001G IX ALKF 1001G IX AL
KF 1001G IX AL-
--
-HT
HTHT
HT
Key
KeyKey
Key
M Power supply terminal board
P “End of Cooking” programmer
T1 Safety thermostat
T2 Control thermostat
IL Electrical line switch
L1 - L2 Oven lighting lamp
MI Door micro-switch
F Fuse
IM Direction inverter
V Radial motorised ventilator
C Condenser
I Humidifier switch
S1 “No flame ” indicator-light
S2 Thermostat indicator-light
E Water solenoid-valve
CE Electronic control unit
E1 Ignition electrode
E2 Detection electrode

Related product manuals