EasyManua.ls Logo

eka KF 610 - Page 11

Default Icon
12 pages
Print Icon
To Next Page IconTo Next Page
To Next Page IconTo Next Page
To Previous Page IconTo Previous Page
To Previous Page IconTo Previous Page
Loading...
_ Electric Ovens _ rev. 5 ________________________________________ KF 610 – KF 620 – KF 622 – KF 622 GRILL _
_________________________________________________________________________________________ page 11 _
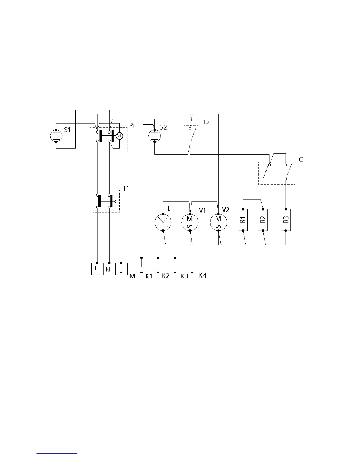
WIRING LAYOUT
WIRING LAYOUTWIRING LAYOUT
WIRING LAYOUT MO
MO MO
MOD.
D. D.
D. KF 622
KF 622KF 622
KF 622 GRILL
GRILL GRILL
GRILL
Key
KeyKey
Key
M Power terminal board
Pr "End of cooking" programmer
T1 Safety thermostat
T2 Oven thermostat
L Oven lighting lamp
R1-R2 Circular heating-elements
R3 Grill heating-element
V1-V2 Oven motorised ventilators
C Grill switch
S1 Programmer indicator light
S2 Thermostat indicator light
K1 Circular heating-element earth
K2 Motorised ventilator earth
K3 Oven lighting lamp earth
K4 Thermostat earth

Related product manuals