EasyManua.ls Logo

eka KF 912 IX - Page 13

Default Icon
20 pages
Print Icon
To Next Page IconTo Next Page
To Next Page IconTo Next Page
To Previous Page IconTo Previous Page
To Previous Page IconTo Previous Page
Loading...
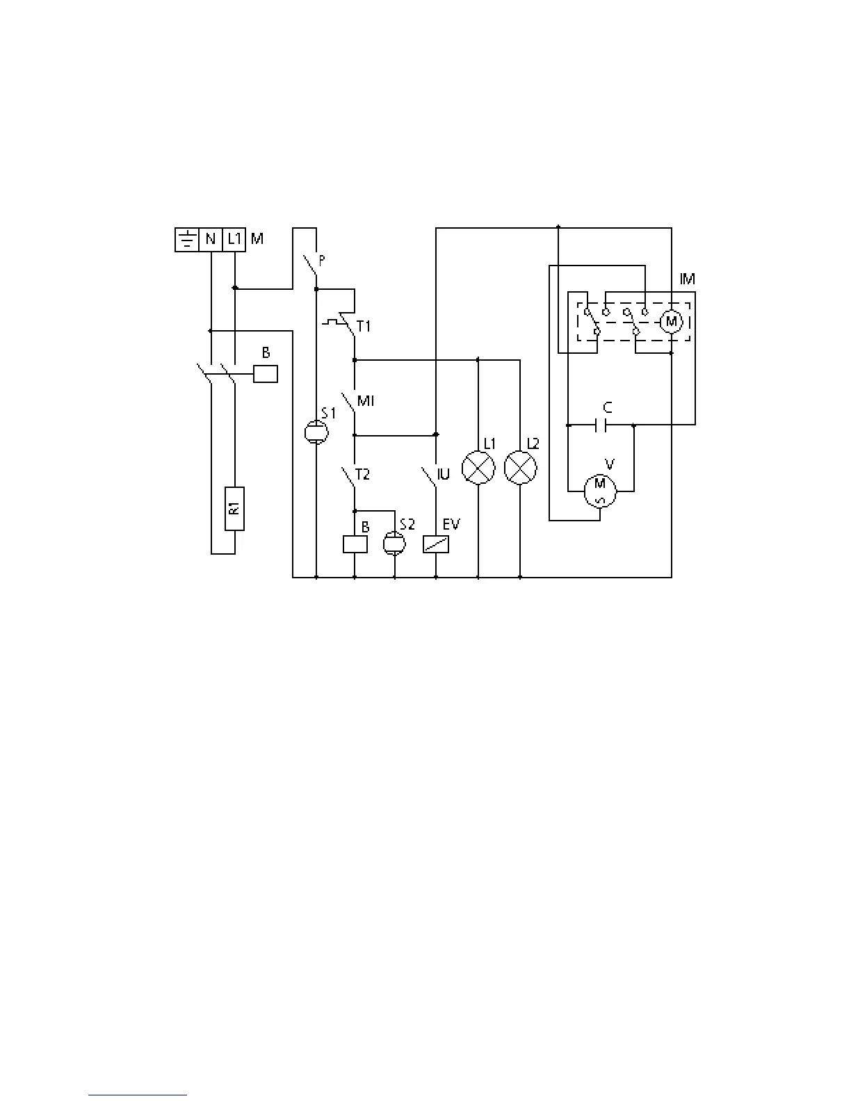
_ Electric Ovens _ rev. 4____ ______ ________ KF 937 – KF 937 UD – KF 933 – KF 933 U – KF 933 AL – KF 933 AL U
KF 912 - KF 912 IX – KF 965 – KF 965 M – KF 965 AL UD – KF 966 UD _
_________________________________________________________________________________________ page 13 _
MOD. KF 937
MOD. KF 937 MOD. KF 937
MOD. KF 937 UD
UDUD
UD
Key
KeyKey
Key
M Power terminal board
P "End of cooking" programmer
MI Door microswitch
T1 Safety thermostat
T2 Control thermostat
IU Humidifier switch
EV Humidifier solenoid-valve
L1-L2 Lighting lamps
R1 Circular heating-element
V Radial motoventilator
C Capacitor
IM Operating direction reversing element
B Contactor coil
S1 Power line indicator light
S2 Thermostat indicator light

Related product manuals