EasyManua.ls Logo

eka KF 912 - Page 19

eka KF 912
20 pages
Print Icon
To Next Page IconTo Next Page
To Next Page IconTo Next Page
To Previous Page IconTo Previous Page
To Previous Page IconTo Previous Page
Loading...
_ Electric Ovens _ rev. 4____ ______ ________ KF 937 – KF 937 UD – KF 933 – KF 933 U – KF 933 AL – KF 933 AL U
KF 912 - KF 912 IX – KF 965 – KF 965 M – KF 965 AL UD – KF 966 UD _
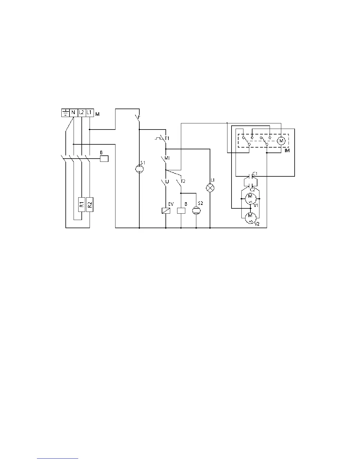
_________________________________________________________________________________________ page 19 _
MOD. KF 96
MOD. KF 96MOD. KF 96
MOD. KF 966
66
6
UD
UDUD
UD
Key
KeyKey
Key
M Power terminal board
P "End of cooking" programmer
MI Door microswitch
T1 Safety thermostat
T2 Control thermostat
R1-R2 Circular heating elements
EV Humidifier solenoid-valve
IU Humidifier switch
V1-V2 Radial motoventilators
C1-C2 Capacitors
IM Operating direction reversing element
B Contactor coil
S1 Programmer indicator light
S2 Thermostat indicator light
L Lighting lamp

Related product manuals