EasyManua.ls Logo

EKKO EB20E - 7 Hydraulic Principle Diagram; 8 Operating Instruction; Start, Run and Parking

EKKO EB20E
25 pages
Print Icon
To Next Page IconTo Next Page
To Next Page IconTo Next Page
To Previous Page IconTo Previous Page
To Previous Page IconTo Previous Page
Loading...
11
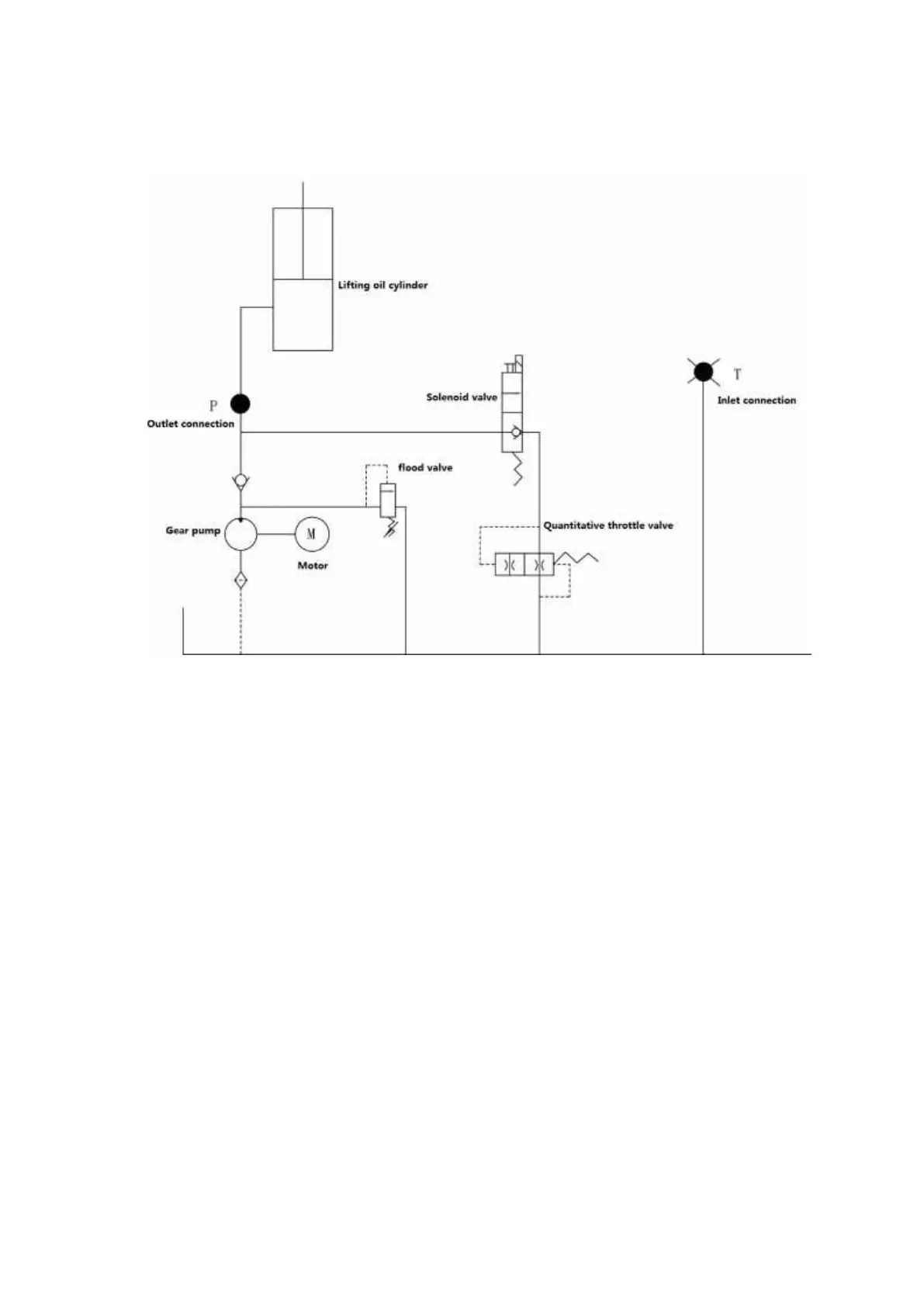
7.Hydraulic Principle Diagram
8.operating instruction
Before operation, please be familiar with the function of each switch/button on the instrument panel.
8.1 Start, run and parking:
1).Insert the key into the key switch, turn to the right, pull the emergency power safety switch up, open the control
circuit.

Other manuals for EKKO EB20E

Related product manuals