EasyManua.ls Logo

Electrolux 534074 - Page 18

Electrolux 534074
40 pages
Print Icon
To Next Page IconTo Next Page
To Next Page IconTo Next Page
To Previous Page IconTo Previous Page
To Previous Page IconTo Previous Page
Loading...
20
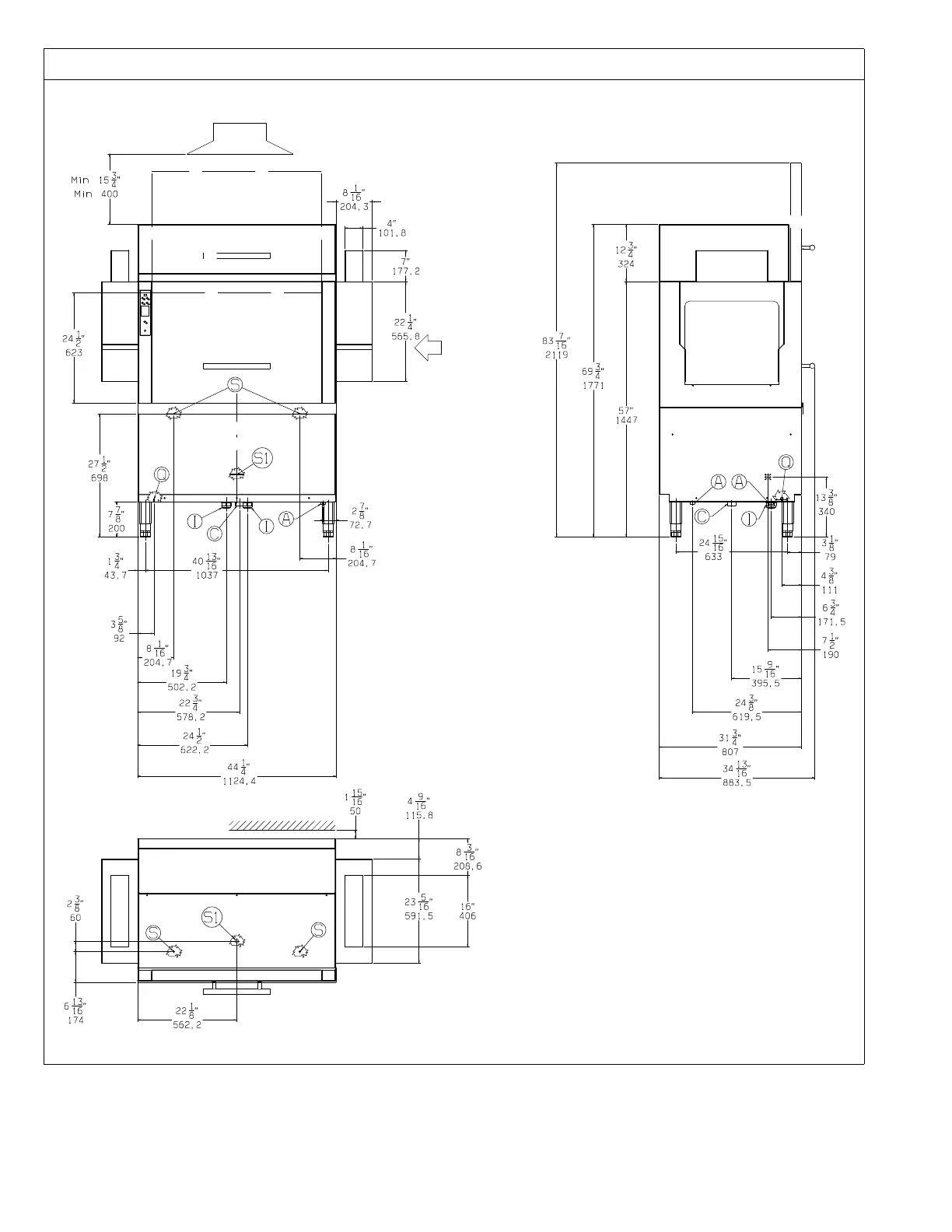
Installation diagram - rack-type dishwasher, 44” left
LEGEND
A Hot water inlet G 3/4”
B Cold water inlet G 3/4”
C Drain outlet G 1 1/2“
I Power supply entry
Q Equipotential screw
S Pipe inlet for detergents
S1 Detergent probe arrangement

Table of Contents

Related product manuals