EasyManua.ls Logo

Electrolux EDW 1503 - Page 6

Electrolux EDW 1503
56 pages
Print Icon
To Next Page IconTo Next Page
To Next Page IconTo Next Page
To Previous Page IconTo Previous Page
To Previous Page IconTo Previous Page
Loading...
- 6 -
03.2004 R.K. 599 519 400 EN
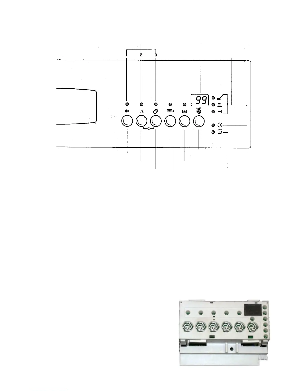
3.2. Control panel EDW 1500
Electronic EDW 1500
On electronic models, a micro processor controls all
components, this is done using triacs. The electronic also
memorizes all programme data.
The heating is switched by a relay on the electronic board.
Function buttons:
Function button 1 Setting of Water hardness
Function button 2 Activation/deactivation of rinse aid addition
Function button 3 Activation/deactivation of signal sound
Displays:
Indication of start time via 2.5-digit display
Indication between 1 and 19 hours (in steps of 1h)
Indication of remaining run time via 2.5-digit display (maximum indication of run time "199")
LED display for salt, rinse-aid, water tap closed and END.
Program flow LEDs:
The program flow LEDs indicate the active subprogram
Function buttons
LED salt
Half load
Senitize
Program select
button
Program flow LEDs
LED rinse-aid
LED 3in 1
extra rinse
Start-time
preselection
2,5-didit Display

Related product manuals