EasyManua.ls Logo

Electrolux EWM09312 - Washing Machine Operating Circuit Diagrams

Electrolux EWM09312
70 pages
Print Icon
To Next Page IconTo Next Page
To Next Page IconTo Next Page
To Previous Page IconTo Previous Page
To Previous Page IconTo Previous Page
Loading...
Technical Support - A.D.L. 65/70 599 74 23-12 Rev.00
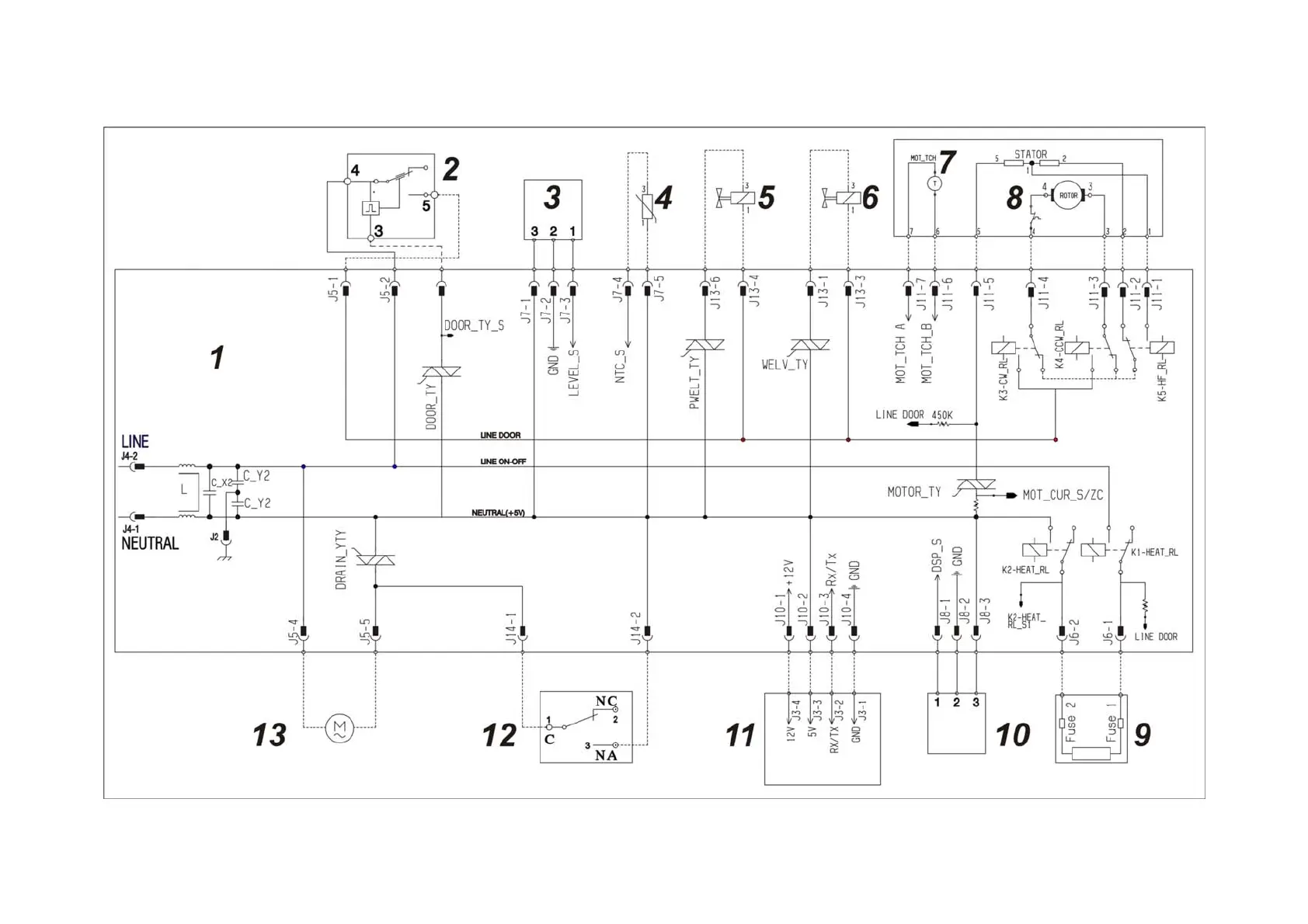
8 OPERATING CIRCUIT DIAGRAM WM WITH AQUA CONTROL

Related product manuals