EasyManua.ls Logo

Electrolux PLMV169DCE - Parts List; Electric Parts; Cabinet Parts; Control Panel Parts

Electrolux PLMV169DCE
52 pages
Print Icon
To Next Page IconTo Next Page
To Next Page IconTo Next Page
To Previous Page IconTo Previous Page
To Previous Page IconTo Previous Page
Loading...
42
GLMV169DBD
GLMV169DQD
GLMV169DSD
PLMV169DCE
6
45
1
2
3
6
45
1
2
3
A
B
C
D
E
F
G
H
A
B
C
D
E
F
G
H
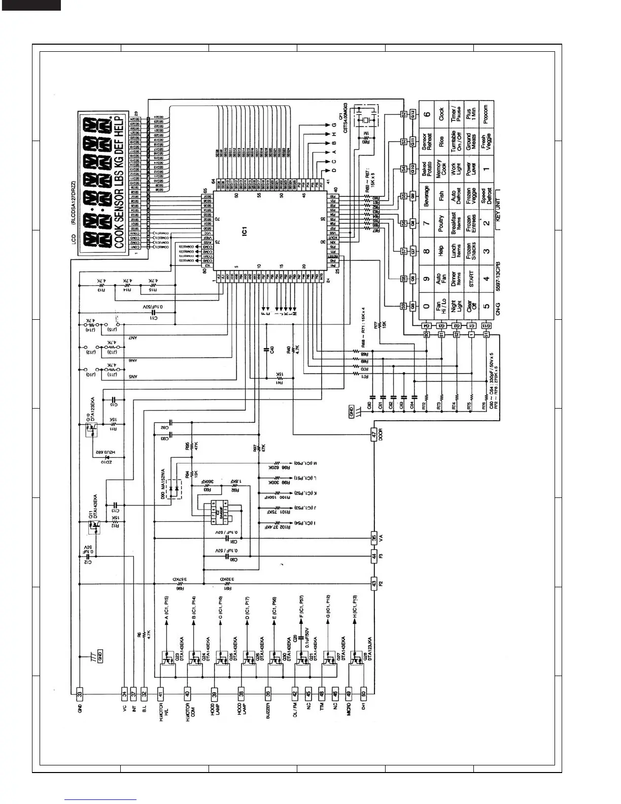
Figure S-3. LSI Unit Circuit

Related product manuals