EasyManua.ls Logo

Electrolux R600a - Automatic Defrosting Process

Electrolux R600a
22 pages
Print Icon
To Next Page IconTo Next Page
To Next Page IconTo Next Page
To Previous Page IconTo Previous Page
To Previous Page IconTo Previous Page
Loading...
R600a NOFROST REFRIGERATORS
11/22
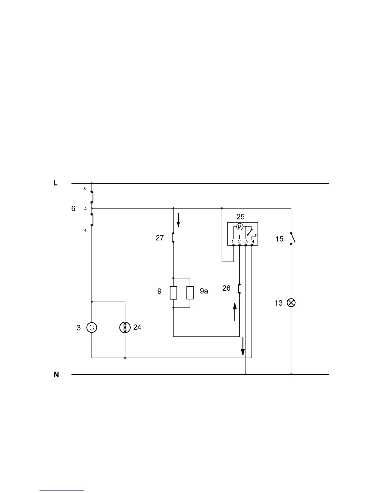
5.2 DEFROSTING
The ice on the battery must be removed regularly, therefore after about 14 hours of operating, the timer (25)
switches from contac 3-4 to contact 3-2, disconnecting the compressor and the fan and switching on the stylus
defrosting heater (9) and armored (9a).
For safety reasons and rules in the evaporator battery there are two defrosting heaters that are simultaneously
powered, since they are connected in parallel.
After 36 minutes defrosting, the timer switches to contact 3-4 again, switching on the compressor and the fan
and disconnecting the heating elements.
If the battery temperature reaches +10°C in less than 36 minutes, the heaters are switched off by the defrosting
cut-out switch (26). If, for any reason, it does not switch on and the battery temperature reaches +40°C , the
heating elements will be switched off by the safety thermal switch (27).
The arrows in the picture show the current path.

Related product manuals