EasyManua.ls Logo

Electrolux R600a - Appliance Functional Flow

Electrolux R600a
22 pages
Print Icon
To Next Page IconTo Next Page
To Next Page IconTo Next Page
To Previous Page IconTo Previous Page
To Previous Page IconTo Previous Page
Loading...
R600a NOFROST REFRIGERATORS
9/22
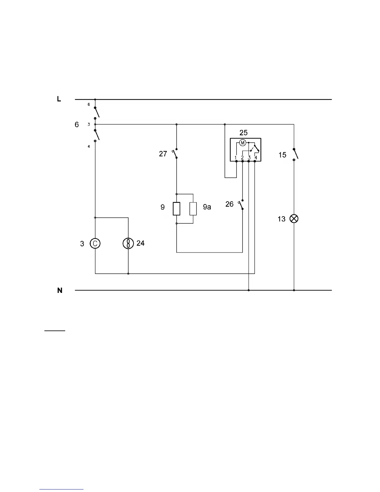
4. FUNCTIONAL DIAGRAM
( check the specific diagram for each model ! )
Legend:
6. 3 ways junction box
3. freezer compressor junction box
5. overload cut-out
6. refrigeraotr thermostat
9. stylus defrosting heater
9a. armored defrosting heater
13. refrigeraotr lamp
15. light switch
24. battery fan
25. timer
26. safety thermic switch (+ 40 °C)
27. defrosting cut-out switch (+ 10 °C)
28. running capacitor

Related product manuals