EasyManua.ls Logo

Electrolux Side by Side Refrigerators - Page 98

Electrolux Side by Side Refrigerators
100 pages
Print Icon
To Next Page IconTo Next Page
To Next Page IconTo Next Page
To Previous Page IconTo Previous Page
To Previous Page IconTo Previous Page
Loading...
B - 14
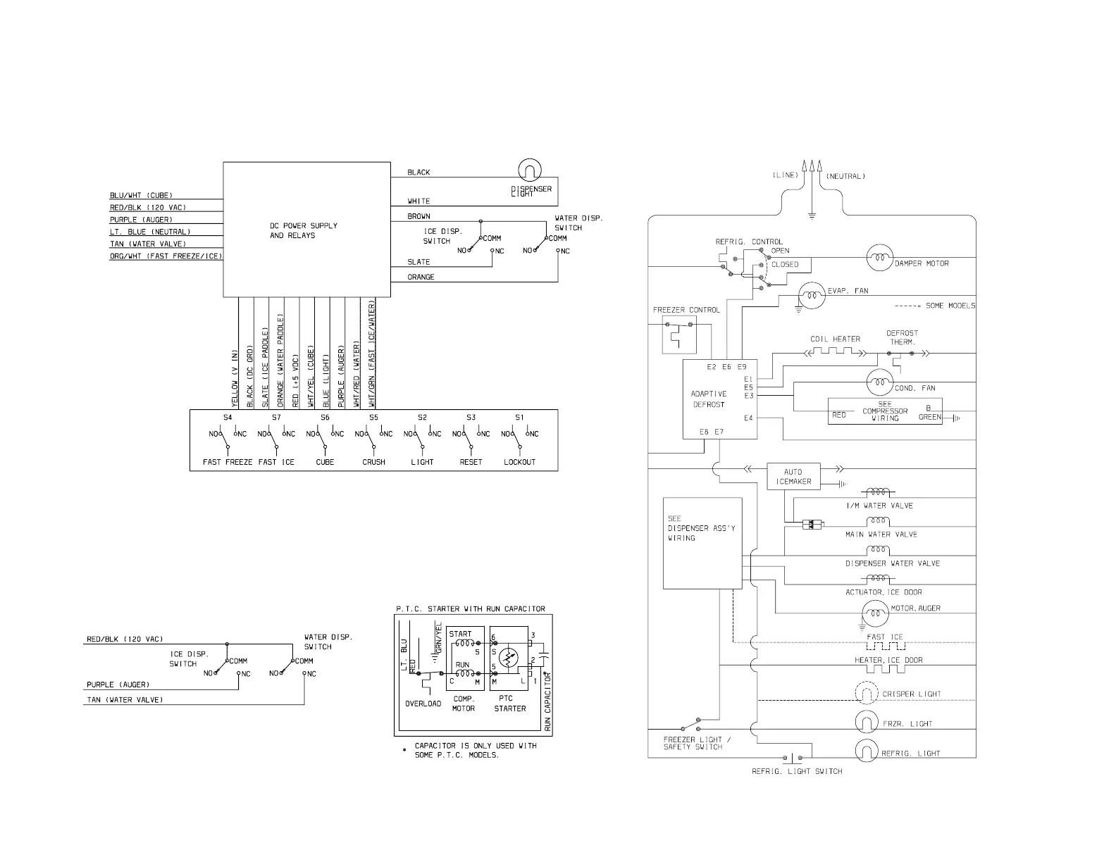
Electronic Dispenser
Compressor Wiring
Electro-Mechanical Dispenser
Ladder Schematic
Wiring Diagrams

Table of Contents

Related product manuals