EasyManua.ls Logo

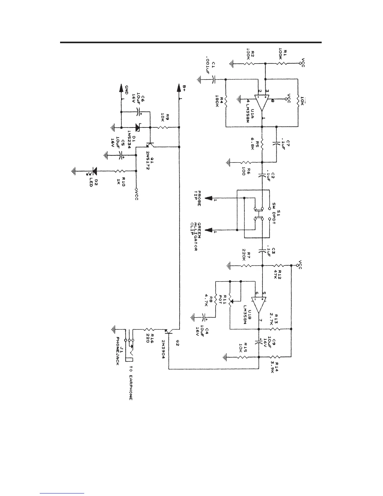
Elenco Electronics ST-751 - Schematic Diagram

Elenco Electronics ST-751
12 pages
Print Icon
To Previous Page IconTo Previous Page
To Previous Page IconTo Previous Page
Loading...
Elenco
®
Electronics, Inc.
150 Carpenter Avenue
Wheeling, IL 60090
(847) 541-3800
Website: www.elenco.com
e-mail: elenco@elenco.com
Schematic Diagram

Related product manuals