EasyManua.ls Logo

Elentek EXPRESS PRO - Express Pro 2 Tri

Default Icon
44 pages
Print Icon
To Next Page IconTo Next Page
To Next Page IconTo Next Page
To Previous Page IconTo Previous Page
To Previous Page IconTo Previous Page
Loading...
33
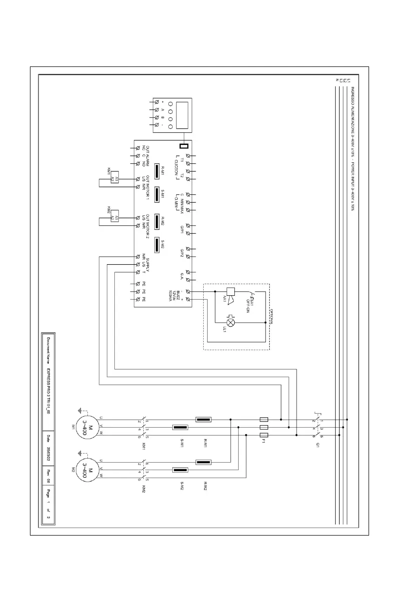
15.4 EXPRESS PRO 2 TRI