EasyManua.ls Logo

ELGi EGRD 600 - Electric Diagrams; EGRD 600 - 1254 Sheet 1 of 3

ELGi EGRD 600
56 pages
Print Icon
To Next Page IconTo Next Page
To Next Page IconTo Next Page
To Previous Page IconTo Previous Page
To Previous Page IconTo Previous Page
Loading...
Attachments
EGRD 600 – 2900 45 – EN
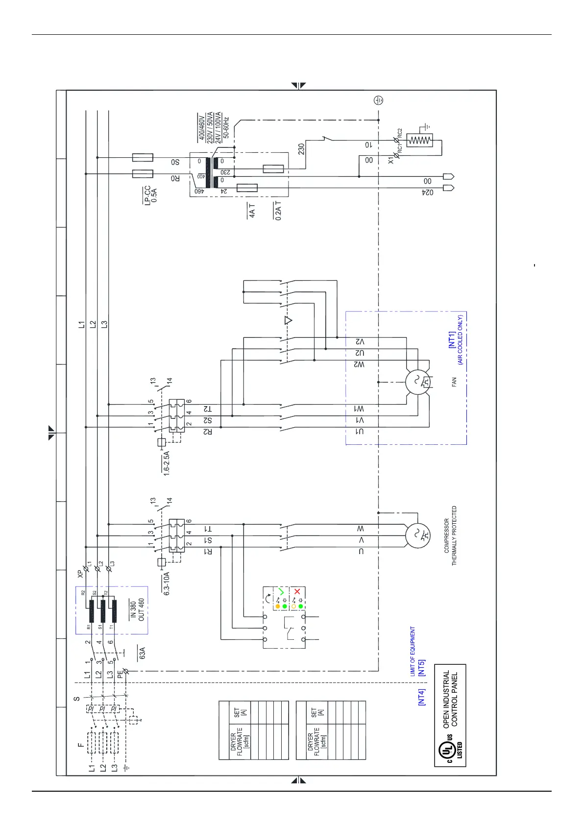
9.3 Electric diagrams
9.3.1 EGRD 600 – 1254 Sheet 1 of 3
0
1
3
24
5
6
789
[2-6]
KC1
[2-1]
2
1
46
3 5
QC1
[2-2]
2 46
KV2
1 53
QS1
W
MC1
M
3
U
V
[2-6]
Rev.
Note :
Sheet
01
of
Drawing no. :
03
00
FU3
A
TF
FU1
FU2
B
RC
[2-7]
3
MV1
TK
M
[2-1]
KC1
11
12
TK
W1
U1
V1
W2
U2
V2
264
1 35
FRUCT5478QCD110
Technical modifications are subject to change without notice; errors not excluded.
L1 L2 L3
11 1412
RPP
(*) See dryer nameplate
(1) With Auto-Transformer TR installed
TR
3/460V/60Hz+PE (*)
OR
3/380V/60Hz+PE (*) (1)
FUSE MAX 16 A
RCD Id 0.03A suggested
Smin 2.5sqmm/14AWG
[2-7]
QV1
[2-2]
246
KV0
1 53
[2-3]
KV1
6.3
7.0
9.0
10.0
600
900
1000
1250
6.3800
QC1
1.6
2.2
2.2
2.2
600
900
1000
1250
1.6800
QV1

Table of Contents