EasyManua.ls Logo

ELGi EGRD 600 - EGRD 1552 - 2900 Sheet 2 of 4

ELGi EGRD 600
56 pages
Print Icon
To Next Page IconTo Next Page
To Next Page IconTo Next Page
To Previous Page IconTo Previous Page
To Previous Page IconTo Previous Page
Loading...
Attachments
EGRD 600 – 2900 49 – EN
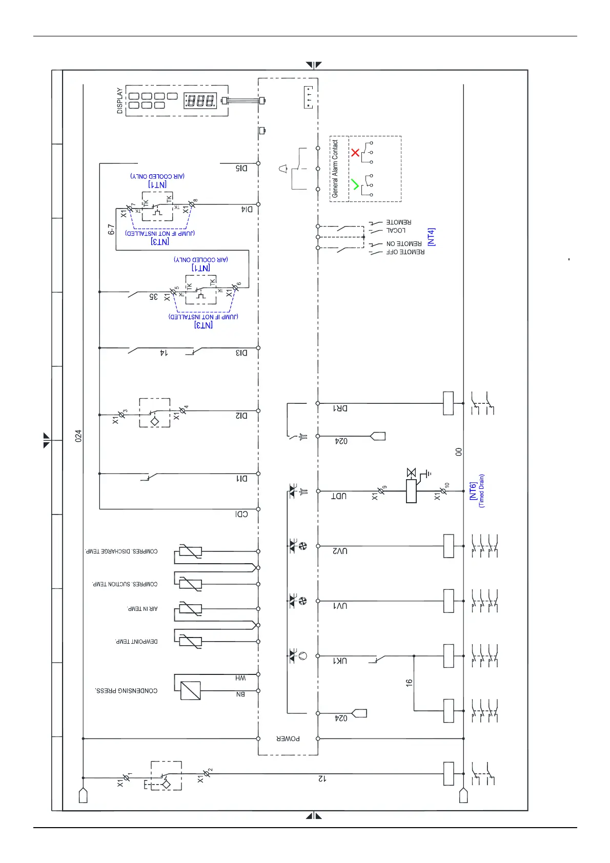
9.3.5 EGRD 1552 – 2900 Sheet 2 of 4
0
1
3
2
4
5
6 789
Rev.
Note :
Sheet
02
of
Drawing no. :
04
00
14 11
[2-4]
[2-2]
24
22
12
21
B
A1
KHP
A2
91215
K
14
HPS
P
A
546
DMC24MA
P
LPS
I
11
II
12
[1-5]
11
5
12
6
34
A1
A2
KV0
12
11
NU
12
65
[1-7]
43
A1
A2
KV1
12
11
NU
12
65
[1-6]
43
A1
A2
KV2
14
13
QC1
[1-3]
MV1
2527 26
BT1 BT2 BT3 BT4
24 2223
P
mA
BHP
2829 21 20 19 18
[3-4]
NU
17
8 7 32
16
[3-1]
DMC24RU
[1-5] [1-7] [1-6]
[1-5] [1-7] [1-6]
A
13
10
ZL
T
Power ON Power OFF
MAX 2A - 48V
and
NO Alarm
or
Alarm
654654
1
J1
DISPLAYEXP
J2
J3-RS485
A B
Technical modifications are subject to change without notice; errors not excluded.
FRUCT5478QCD120
1412
11
KHP
[2-0]
1412
11
RPP
[1-2]
2422
21
KHP
[2-0]
[1-5]
12
[1-3]
11
5
12
6
34
A1
A2
KC1
[1-9]
[1-3]
[1-3]
14
13
[1-5]
QV1
EVDEVDEVD
A1
A2
KDR
A
[3-2]
[3-0]
12
22
24
14
21
11
MV2
[1-5]

Table of Contents