EasyManua.ls Logo

ELGi TS15 - 7 0 Replacement System Parts 5 HP; Replacement Pump Parts 5 HP

ELGi TS15
32 pages
Print Icon
To Next Page IconTo Next Page
To Next Page IconTo Next Page
To Previous Page IconTo Previous Page
To Previous Page IconTo Previous Page
Loading...
24
TS Series
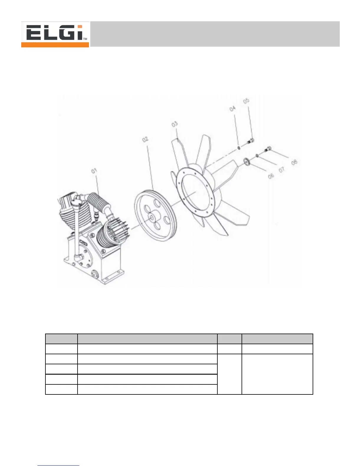
8.1 Replacement Pump Parts - TS 7.5
Fig # Description Qty Part No.
01 Compressor 7.5 HP 1 01-01-502
02 Pulley
1 A 02 0056
03 Cooling fan
04 Washer, spring rectangular, M8
05 Bolt, hex, M8 x 20

Related product manuals