EasyManua.ls Logo

ELGi TS15 - Page 30

ELGi TS15
32 pages
Print Icon
To Next Page IconTo Next Page
To Next Page IconTo Next Page
To Previous Page IconTo Previous Page
To Previous Page IconTo Previous Page
Loading...
30
TS Series
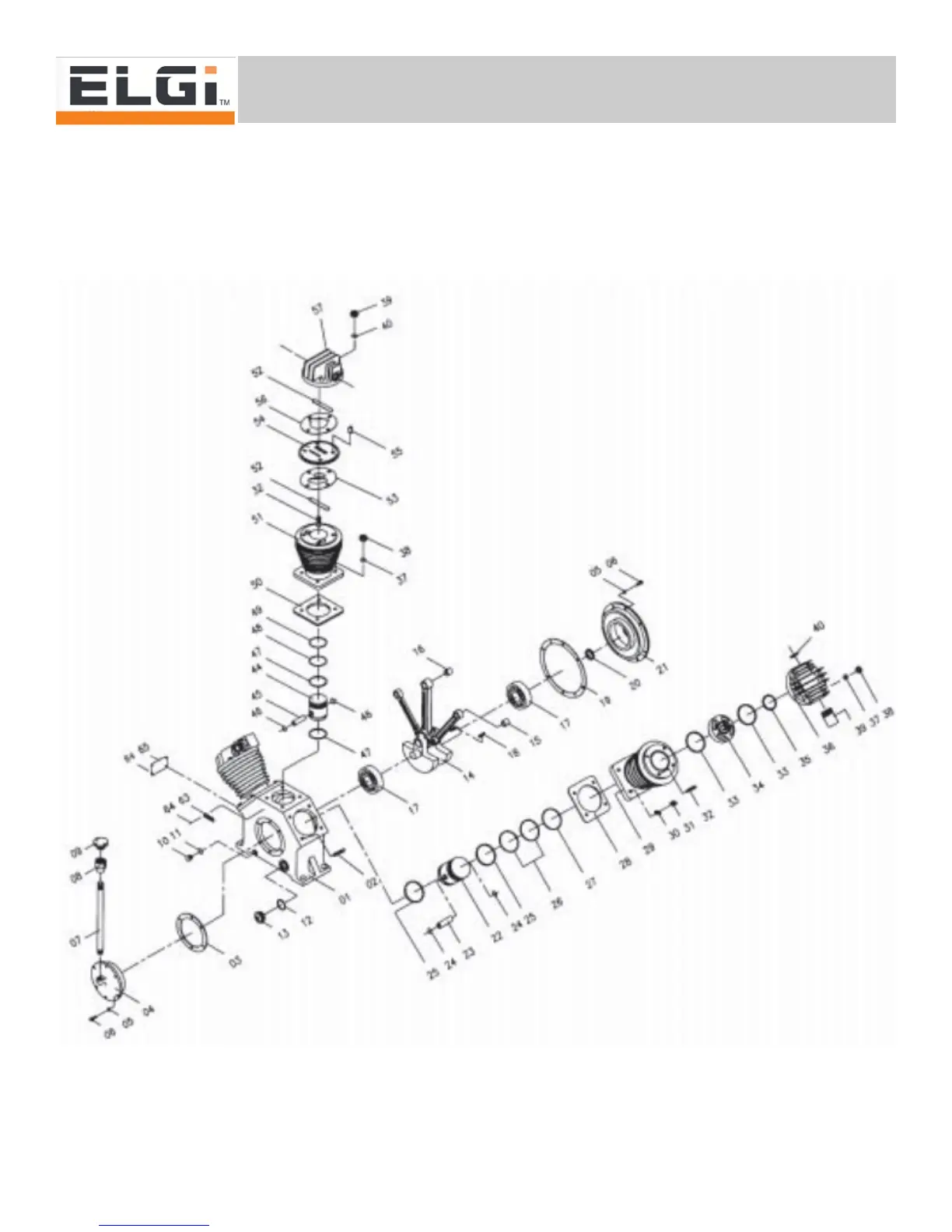
10.1 Replacement Pump Parts - TS 15

Related product manuals