EasyManua.ls Logo

Eliwell EW974 - Page 20

Eliwell EW974
23 pages
Print Icon
To Next Page IconTo Next Page
To Next Page IconTo Next Page
To Previous Page IconTo Previous Page
To Previous Page IconTo Previous Page
Loading...
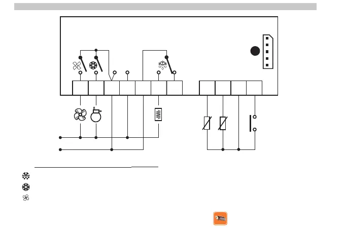
EW974: CONNECTIONS/ CONNESSIONI/ CONNEXIONS/ ПОДКЛЮЧЕНИЕ
TERMINALS/ MORSETTI/ BORNES/ РАЗЪЕМЫ
defrost relay / relè sbrinamento / relais dégivrage / реле размораживания
compressor relay / relè compressore / relais compresseur / реле компрессора
fan relay / relè ventole / relais ventilateurs / реле крыльчаток
N-L Power Supply / Alimentazione / Alimentation / Источник питания
A TTL input / Ingresso TTL / Entrée TTL / TTL порт
1
EW974
A
N
L
TTL
10
(C)
D.I.
Supply
4.5W max
Pb1
11
Pb2
(A)( B)
(evaporator)
(thermostat)
9
2 3
4
8
7
6
5

Related product manuals