EasyManua.ls Logo

Elvox 936 - Wiring Diagram for Door Entry System with Amplified Speedh Unit

Elvox 936
16 pages
Print Icon
To Next Page IconTo Next Page
To Next Page IconTo Next Page
To Previous Page IconTo Previous Page
To Previous Page IconTo Previous Page
Loading...
936
10/16
CH 3 2 1
S
B
2
1
L1
5
6
3
4
C1-+
PRI
-+JC2 150AS
C
D
C2
C
A
6P
6S
6E
6
5
F
AU
2
3
1
7
F
6
8
7
2
4/5
3
B
1
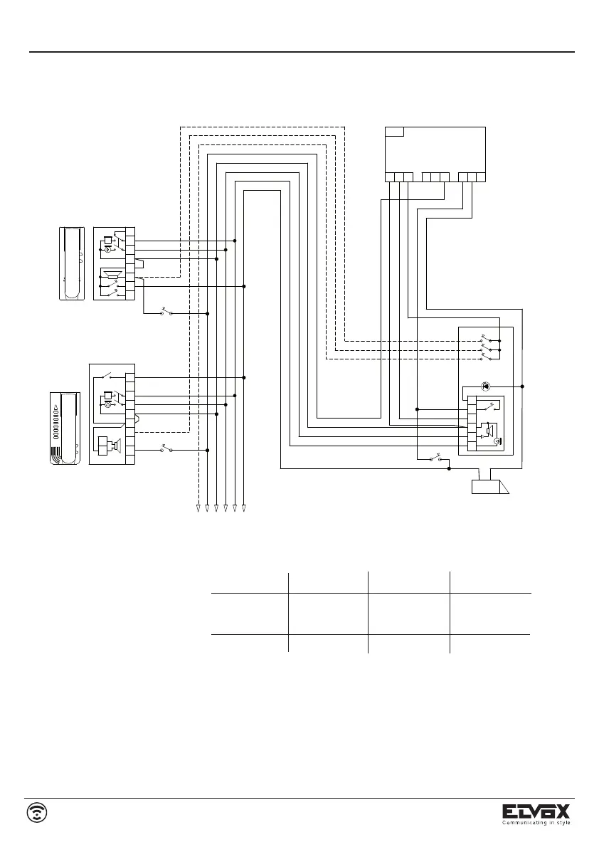
B- Pulsante supplementare serratura
Additional push-button for lock
Poussoir supplémentaire gâche
zusätzliche Türöffnertaste
Pulsador suplementario cerradura
Botão suplementar de trinco
C- Serratura elettrica-Electric lock
Gâche électrique-Elektrischer Türöffner
Cerradura eléctrica-Trinco eléctrico 12V
D- Posto esterno-Speech unit
Poste externe-Außenstelle
Aparato externo-Posto externo
Art. 930F
L1- Lampada luce targa
Bulb for panel lighting
Lampe d’éclairage plaque
Birne für Tastenbeleuchtung
Lámpara luz escalera
Lâmpada da luz da botoneira
(3x24V 3W max.)
10x24V 3W con/with Art. M832
16X24V 3W con/with Art. 832/030
N. C-2117
SCHEMA COLLEGAMENTO PORTIERE ELETTRICO CON POSTO ESTERNO AM PLI FI CA TO ART. 930F ED ALIMENTATORE ART.
936.
WIRING DIAGRAM FOR DOOR ENTRY SYSTEM WITH AMPLIFIED SPEECH UNIT ART. 930F AND POWER SUPPLY ART. 936.
SCHÉMA DES CONNEXIONS POUR PORTIER ÉLECTRIQUE AVEC POSTE EXTERNE AMPLIFIÉ ART. 930F ET ALIMENTATION
ART. 936.
SCHALTPLAN FÜR TÜRSPRECHANLAGE MIT VERSTÄRKE AUSSENSTELLE ART. 930F UND NETZGERÄT ART. 936.
ESQUEMA DE CONEXIONADO PARA PORTERO ELÉCTRICO CON APARADO EXTERNO AMPLIFICADO
ART. 930F Y ALIMENTADOR ART. 936.
ESQUEMA DE LIGAÇÃO PARA PORTEIRO ELÉCTRICO COM POSTO EXTERNO AMPLIFICADO ART. 930F E ALIMENTADOR
ART. 936.
ALIMENTATORE
POWER SUPPLY
ALIMENTATION
NETZGERÄT
ALIMENTADOR
Art. 936
RETE-MAINS
RÉSEAU-NETZ
RED-REDE
CITOFONO-PHONE
POSTE-HAUSTELEFON
TELÉFONO-TELEFONE
Art. 8875 - 8872
CITOFONO-PHONE
POSTE-HAUSTELEFON
TELÉFONO-TELEFONE
Art. 6200
N.B.
IN CASO DI RONZIO SULLA FONICA SPO STA RE NEL -
L'ALI MEN TA TO RE IL FILO COL LE GA TO ALLA SER RA TU -
RA DAL MORSETTO 15 AL MORSETTO AS.
IN CASE OF NOISE IN THE AUDIO MOVE, IN THE POWER
SUPPLY, THE WIRE CONNECTED ON THE DOOR LOCK
TERMINAL N. 15 TO TERMINAL AS.
S’IL Y A DE BROUILLARD DANS LA PHONIQUE DE-
PLACER DANS L’ALIMENTATION LE FIL, CONNECTÉ Á
LA GÂCHE, DE LA BORNE 15 Á LA BORNE AS.
Diametro conduttori - Conductor diameter
Diamètre des conducteurs-Leiterdurchmesser
Diametro conductores-Diametro condutores
Conduttori-Conductors Ø fino a 50m-Ø up to 50m Ø fino a 100m-Ø up to 100m Ø fino a 200m-Ø up to 200m
Conductors-Leitungslänge Ø jusqu’à 50m-Ø bis 50m Ø jusqu’à 100m.-Ø bis 100m Ø jusqu’à 200m.-Ø bis 200m
Conductores-Condutores Øhasta 50m - até 50m Ø hasta 100m - até 100m Ø hasta 200m - Ø até 200m
Comune e serratura
Common and lock
Commun et gâche
Gemeinsame und Türöffner 0,5 mm
2
0,75 mm
2
1,5 mm
2
Común y cerradura
Commun e trinco
Altri-Others-Autres
Andere-Otros-Outros 0,25 mm
2
0,5 mm
2
1 mm
2
A- Targa con posto esterno
Entrance panel with speech unit
Plaque de rue avec poste externe
Klingeltableau mit Außenstelle
Placa con aparato externo
Botoneira com posto externo
serie-série 8000, 3300, PATAVIUM
8100, 1200
N.B.
WENN EIN GERÄUSCH AM AU DIO GIBT ES, DER AM
TÜRÖFFNER ANGESCHLOSSENE DRAHT DES NETZGERÄTS
VON KLEMME 15 AUF KLEMME AS UMSTELLEN.
SI SE OYE EN EL AUDIO UN RUIDO, DESPLAZAR EN EL ALI-
MENTADOR EL HILO CONECTADO A LA CERRADURA DEL
BORNE 15 AL BORNE AS.
NO CASO DE ZUMBIDO NO AUDIO, DESLOCAR NO ALIMENTA-
DOR O FIO LIGADO NO TRINCO DO SHUNT 15 AO AS.

Other manuals for Elvox 936

Related product manuals