EasyManua.ls Logo

Elvox 936 - Intercommunicating Phones with Petrarca Series Phones

Elvox 936
16 pages
Print Icon
To Next Page IconTo Next Page
To Next Page IconTo Next Page
To Previous Page IconTo Previous Page
To Previous Page IconTo Previous Page
Loading...
936
8/16
1 82345 76
4C
8
9
10
11
12
13
14
15
2
5
6
9
6E
3
2
1
AU
4C
6
6P
6E
3
2
1
AU
4C
6
6P
6E
3
2
1
AU
4C
6
6P
6E
3
2
1
AU
4C
6
6P
6E
3
2
1
AU
4C
6
6P
6E
3
2
1
AU
4C
6
6P
PRI
--C1+C2+J 15 AS0
6E
3
2
1
AU
8
11
12
13
14
10
4C
6
6P
9
5
3
2
1
AU
7
9
8
12
13
14
15
11
4C
6
6E
10
6P
15
4
13
4
14
4
12
4
11
4
10
4
9
4
8
4
3
A
C
6P
6S
6E
6
5
AU
2
1
7
6S 6S 6S 6S 6S 6S 6S 6S
15 15 15 15 15 15 15
14 14 14 14 14
1413 13 13 13 13
13 1312 12 12
12 12
12
11 11
11 11 11
11
10
10 10 10 10
10
999999
888888
5555555
7777777
6E
3
2
1
AU
4C
6
6P
6S
14
13
12
11
10
9
8
5
7
15
A
MORSETTIERE CITOFONI - TERMINAL BLOCKS - BORNES DE RACCORDEMENT
HAUSTELEFONE KLEMMENLEISTE - REGLETAS TELÉFONOS - BORNES TELEFONES
ALIMENTATORE
POWER SUPPLY
ALIMENTATION
NETZGERÄT
ALIMENTADOR
Art. 936
N. CI 3029
RETE-MAINS
RÉSEAU-NETZ
RED-REDE
CITOFONO
PHONE
POSTE
HAUSTELEFON
TELÉFONO
TELEFONE
Art. 6200
COLORE CONDUTTORI - CONDUCTOR COLOUR - COULEUR DES CONDUCTEURS
FARBE DER LEITUNGEN - COLOR CONDUCTORES - CÔR DOS CONDUTORES
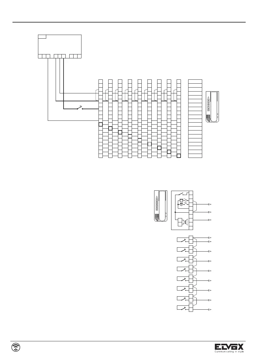
CITOFONI INTERCOMUNICANTI CON CI TO FO NI SERIE PETRARCA
INTERCOMMUNICATING PHONES WITH PETRARCA SERIES PHONES
POSTES D'INTERCOMMUNICATION AVEC POSTES SÉRIE PETRARCA
HAUSTELEFONE MIT INTERNER SPRECHMÖGLICHKEIT MIT PETRARCA-
HAUSTELEFON
TELÉFONOS INTERCOMUNICANTES CON TELÉFONO SERIE PETRARCA
TELEFONES INTERCOMUNICANTES COM TELEFONE SERIE PETRARCA
SEZIONE DEI CAVI - CABLES SECTION
SECTION DES CÂBLES - KABELSCHNITT
SECCIÓN DE LOS CABLES - SECÇÃO DOS CABOS
La linea di collegamento può essere ef fet tua ta con cavo
multicoppie da 0,25mm². Per distanze superiori a 200
metri au men ta re la sezione.
The connection line may be carried out with multipaired
0.25mm² telephone cable. For distance above 200 meters
increase the section.
La ligne de connexion peût être réalisée avec câble télé-
phonique multipaires de 0,25mm². Pour des distances
supérieures à 200 mètres il faut augmenter la section.
Die Verbindunggslinie kann mit vielfältigem Telefonkabel
0,25mm² hergestellt werden. Für Entfernungen über 200
Meter den Durchmesser vergrössern.
La línea de conexión puede ser efectuada con cable mul-
tiparejas de 0,25mm². Para distancias superiores a los 200
metros au men tar la sección.
A ligação pode ser efectuada com cabo teléfonico com
condutores de 0,25mm². Para distâncias superiores a 200
metros, au men tar a secção.
Istruzioni per il collegamento vedere pag. 10
For wiring instructions see page 10
Instructions pour la connexion voir pag. 10
Anweisungen für den Anschluß, siehe pag. 10
Istruciones para el conexionado ver pag. 10
Istruções para a ligação ver pag. 10
CITOFONO
PHONE
POSTE
HAUSTELEFON
TELÉFONO
TELEFONE
Art. 6200

Other manuals for Elvox 936

Related product manuals