EasyManua.ls Logo

Emerson 4401 - Page 166

Emerson 4401
200 pages
Print Icon
To Next Page IconTo Next Page
To Next Page IconTo Next Page
To Previous Page IconTo Previous Page
To Previous Page IconTo Previous Page
Loading...
Menu 14 Introduction
Parameter
x.00
Parameter
description format
Keypad and
display
Serial
communications
CT Modbus
RTU
PLC Ladder
programming
CTSoft Menu 0
Advanced parameter
descriptions
166 Commander SK Advanced User Guide
www.controltechniques.com Issue Number: 9
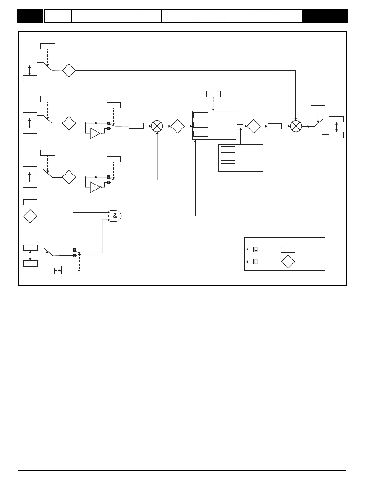
Figure 10-42 Menu 14 logic diagram
21.51
1.01
0.01
21.51
1.01
14.02
PID main
reference source
14.19
Main
reference
21.51
.01
0.00
21.51
1.01
14.02
PID main
reference source
14.19
Main
reference
21.51
1.01
0.01
21.51
1.01
14.02
PID
reference source
21.51
0.00
21.51
1.01
PID
reference
1.01
14.05
Invert
14.07
PID slew
rate limit
+
14.22
PID error
1.01
14.17
Hold
integrator
14.01
PID output
14.15
PID scaling
+
1.01
21.51
0.00
21.51
1.01
14.16
PID output
destination
+
14.03
14.20
21.51
1.01
0.01
21.51
1.01
14.02
PID
feedback source
21.51
0.00
21.51
1.01
PID
feedback
1.01
14.06
Invert
14.21
14.04
14.08
PID
enable
10.01
Drive healthy
indicator
21.51
1.01
0.01
21.51
21.51
0.00
21.51
1.01
14.02
1.01
14.09
Optional PID
enable source
Source
not used
Logic one
14.10
14.11
14.12
PID proportional
gain
PID integral
gain
PID derivative
gain
14.13
High limit
Low limit
14.14
14.18
Symmetrical limit
select
XX
XX
Key
Read-write (RW)
parameter
Read-only (RO)
parameter
Input
terminals
Output
terminals
XX
XX
The parameters are all shown at their default settings
_

Table of Contents

Related product manuals