EasyManua.ls Logo

Emerson CSI 6500 - Connection Diagrams and Pinouts; System Block Diagram

Emerson CSI 6500
41 pages
Print Icon
To Next Page IconTo Next Page
To Next Page IconTo Next Page
To Previous Page IconTo Previous Page
To Previous Page IconTo Previous Page
Loading...
Page/Seite 36
Product Information / Produktinformation
A6151
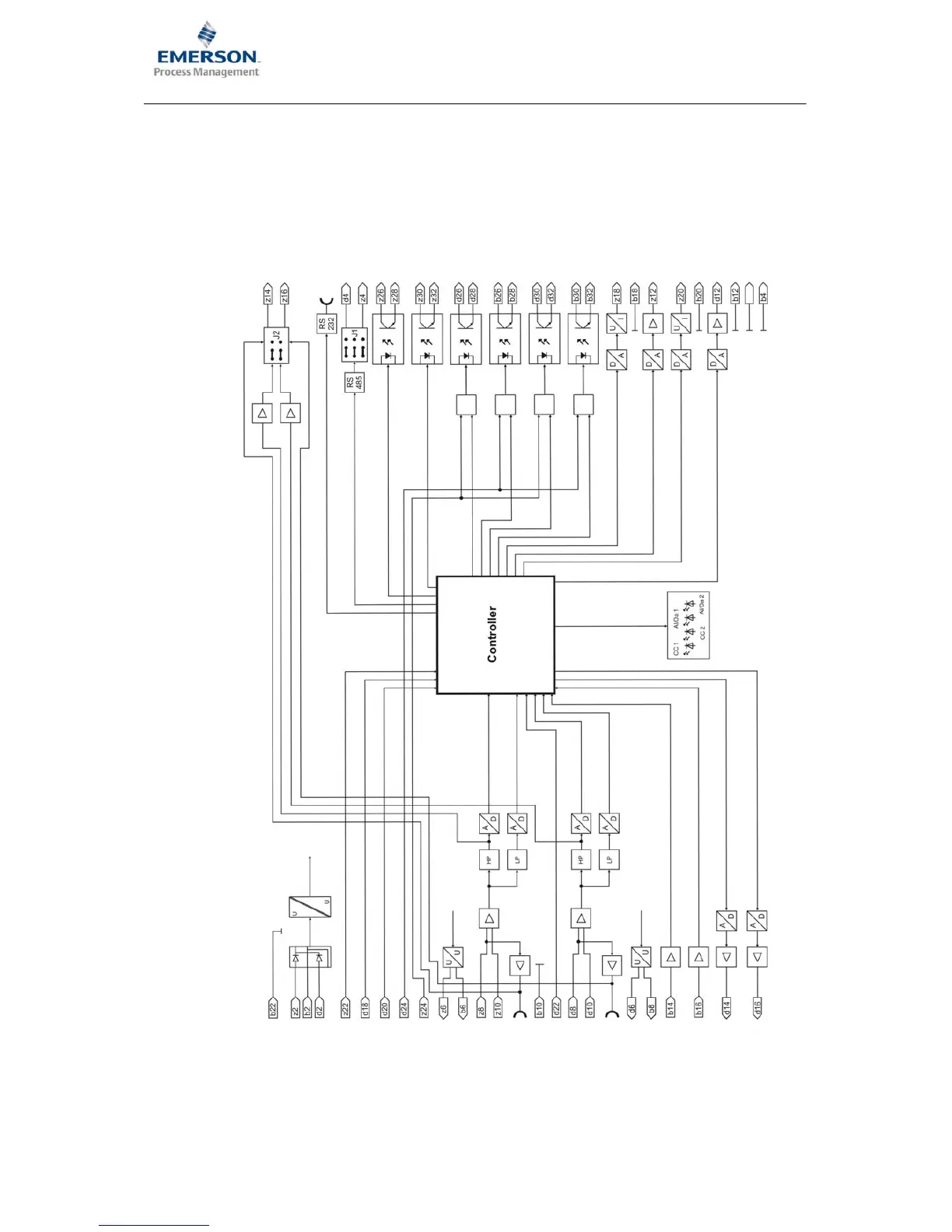
Connection Diagrams and Figures / Anschlusspläne und Abbildungen
3 CONNECTION DIAGRAMS AND FIGURES /
ANSCHLUSSPLÄNE UND ABBILDUNGEN
Supply1+
Supply1
Supply2+
Supply2
AIN1+
AIN1
AIN2
AIN2+
GND
UN+
U
UB+
ES
GWM
don‘t use
SCA
AC1
signal 1
sensor raw
SCD
GND
GND
KEY
signal 2
sensor raw
EI2
EI1
EO2
EO1
AC2
RS485B
A2C
RS485A
CC1C
CC1E
CC2C
CC2E
D1C
D1E
A1E
A1C
D2C
D2E
A2E
RS232
I1+
GND
GND
GND
front socket
I1
I2+
I2
NGL1
NGL2
b24
Block diagram / Blockschaltbild A6151

Related product manuals