EasyManua.ls Logo

Emerson CSI 6500 - Detailed Wiring Diagram

Emerson CSI 6500
41 pages
Print Icon
To Next Page IconTo Next Page
To Next Page IconTo Next Page
To Previous Page IconTo Previous Page
To Previous Page IconTo Previous Page
Loading...
Page/Seite 37
Product Information / Produktinformation
A6151
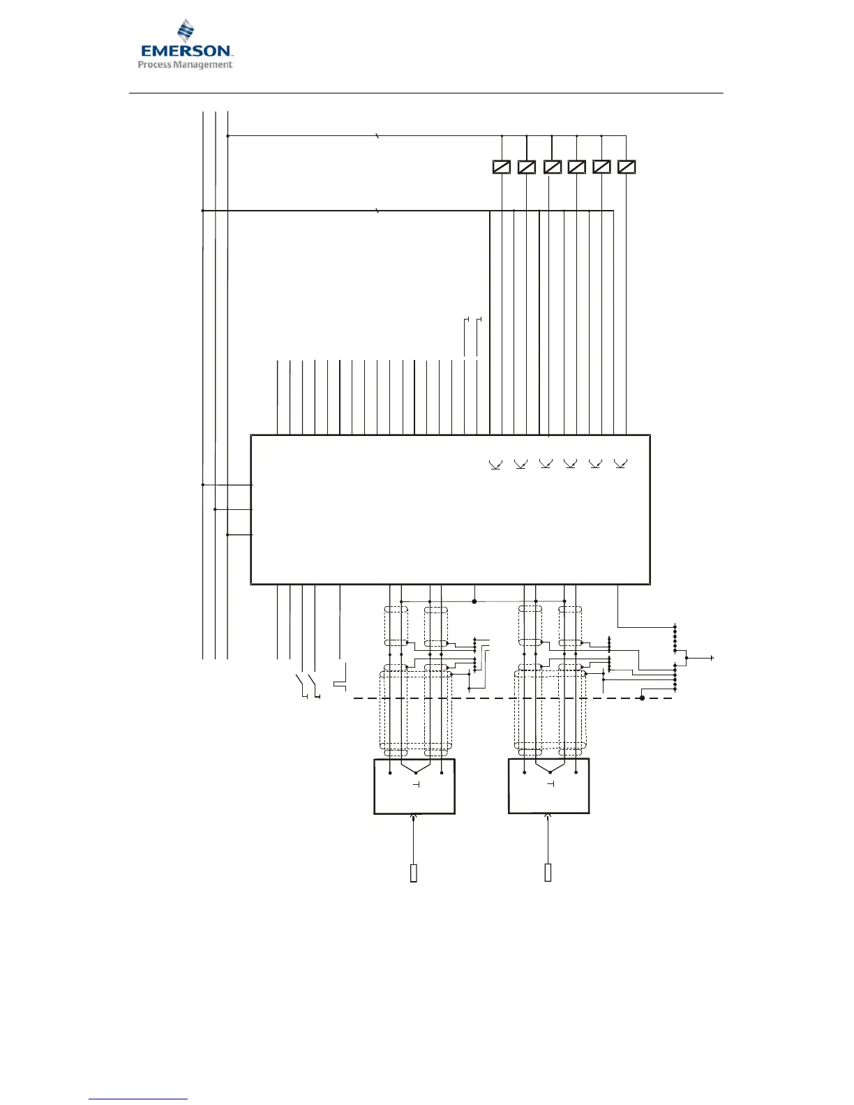
Connection Diagrams and Figures / Anschlusspläne und Abbildungen
AIN1
AIN1+
Supply1
Supply1+
AIN2
AIN2+
Supply2
Supply2+
GND
GND
Alert1
Danger1
Alert2
Danger2
Channel
Clear1
Channel
Clear2
EI1
EI2
FX
ES
KEY (N)
UN+
U
UB+
A
B
BP
NGL1
GND
NGL2
EO1
EO2
AC1
GND
AC2
I1+
SCD
SCA
I2
I2+
I1
ACC
A1E
D1C
D1E
A2C
A2E
D2C
D2E
C1C
C1E
C2D
C2E
Shaft vibration
Monitor
A6151
OUT
24V
CON0xx
PR642x
OUT
24V
CON0xx
PR642x
measuring
ground
protective
ground
0 ... +10V
protective ground
to
Cabinet
Field
Factor x
Alarm stop
ext. lock
KEY
0 ... +10V
b14
b18
z22
d18
d22
z8
z10
z6
b6
d10
d6
b8
b22
b10
d8
d4
z4
b4
z12
b12
d12
d14
d16
z14
b24
z16
z18
b18
z20
b20
d24
z24
b26
b28
d26
d28
b30
b32
d30
d32
z26
z28
z30
z32
RS485 BUS
nominal dc output channel 1
voltage output CH1
voltage output CH2
sensor raw signal CH1 (Jumper J2)
sensor raw signal CH2 (Jumper J2)
current output CH1
current output CH2
alert:
danger:
0 ... +10V
0 ... +10V
0 ... +10V
0 ... +10V
0/4 ... +20mA
0/4 ... +20mA
0V 0V
24V /1
0V (24V)
24V /2
b2
z2
d2
nominal dc output channel 2
closed/ open circuit current
closed/ open circuit current
Connection diagram / Anschlussdiagramm

Related product manuals