EasyManua.ls Logo

Emerson ROC364 - Discrete Outputs to Discrete Inputs; Discrete Outputs to Pulse Inputs

Emerson ROC364
146 pages
Print Icon
To Next Page IconTo Next Page
To Next Page IconTo Next Page
To Previous Page IconTo Previous Page
To Previous Page IconTo Previous Page
Loading...
ROC364 Instruction Manual
C-3 I/O Simulation Rev Jun/05
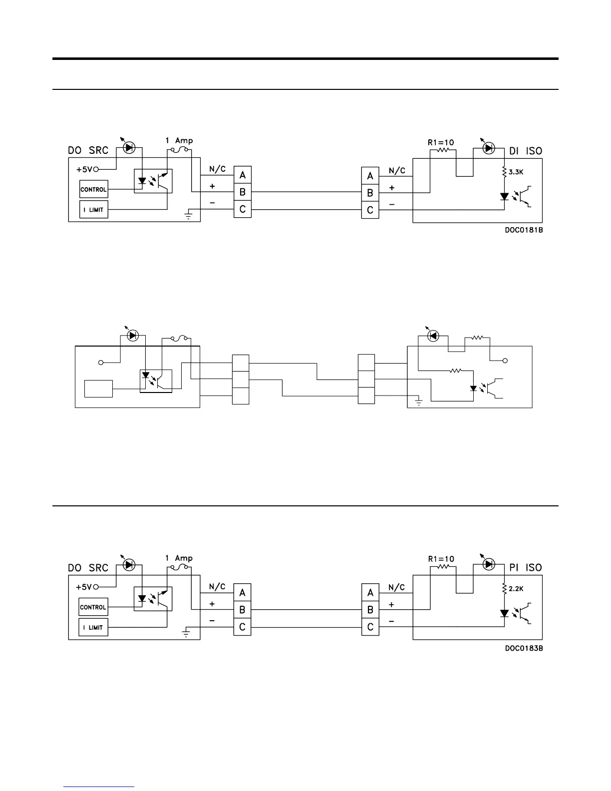
C.3 Discrete Outputs to Discrete Inputs
Figure C-6 shows how to use a Discrete Output Source module to simulate a device transmitting a
discrete voltage level to a Discrete Input Isolated module.
Figure C-6. DO Source Module to DI Isolated Module
Figure C-7 shows how to use a Discrete Output Isolated module to simulate relay contacts to a Discrete
Input Source module.
CONTROL
+5V
DO ISO
N/C
1 Amp
NO
COM
C
A
B
C
B
A
+
N/C
3.3K
R1=10
DOC0182A
Vs
DI SRC
+
-
Figure C-7. DO Isolated Module to DI Source Module
C.4 Discrete Outputs to Pulse Inputs
Figure C-8 shows how to use a Discrete Output Source module to simulate a device transmitting pulses
(such as turbine meter) to a Pulse Input Isolated module.
Figure C-8. DO Source Module to PI Isolated Module

Table of Contents

Related product manuals