EasyManua.ls Logo

Emerson Rosemount 520 - 1-in. Pipe End Mounting

Emerson Rosemount 520
22 pages
Print Icon
To Next Page IconTo Next Page
To Next Page IconTo Next Page
To Previous Page IconTo Previous Page
To Previous Page IconTo Previous Page
Loading...
Quick Start Guide
7
February 2019
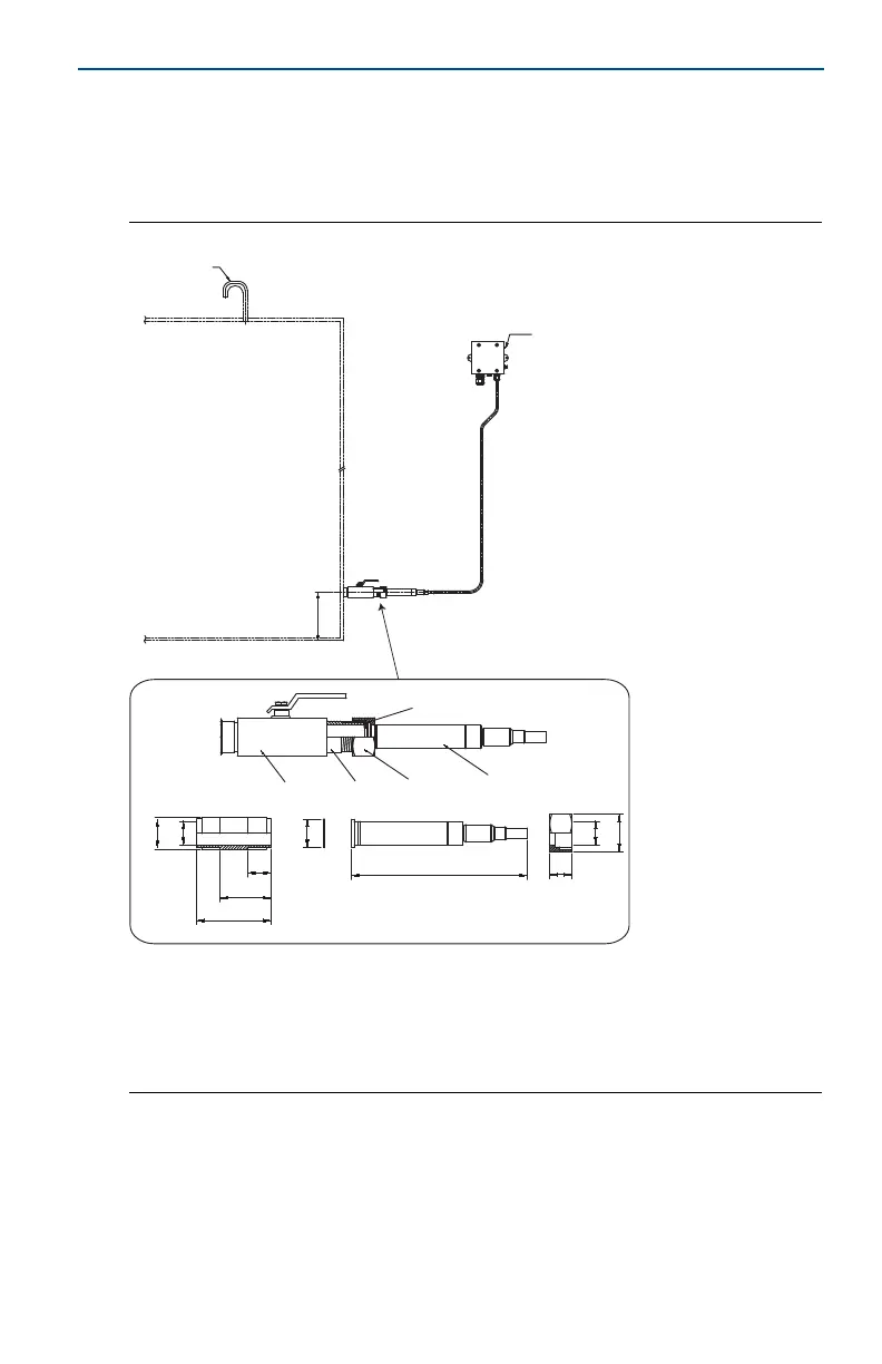
3.3 1-in. pipe end mounting
1. Secure the provided nipple pipe to the tank wall or to a ball valve.
2. Secure the transmitter to the nipple pipe by use of the provided nut and
gasket. The recommended torque is 20 N-m.
Figure 3. Installation Drawing
A. Optional junction box
B. Tank top
C. Dead zone
D. Tank bottom
E. Vent pipe
F. Gasket
G. Nut
H. Nipple pipe, length 80 mm
I. Transmitter
J. Ball valve (yard supply)
A
B
C
D
E
F
JHG
I
34
26
30
25
55
80
193
24
26
41
00825-0100-4520_RevAC.fm Page 7 Thursday, February 7, 2019 10:16 AM

Related product manuals