EasyManua.ls Logo

Emerson U40310001 - Page 31

Emerson U40310001
208 pages
Print Icon
To Next Page IconTo Next Page
To Next Page IconTo Next Page
To Previous Page IconTo Previous Page
To Previous Page IconTo Previous Page
Loading...
A V
AC1001
F1001
1A 250V
LINE
FILTER
L1001
D1001 - D1004
BRIDGE
RECTIFIER
2
4
Q1001
Q1003
Q1008
8
7
1
23
4
IC1001
ERROR
VOLTAGE DET
HOT
T001
Q055
Q052
Q057
Q056
JUNCTION
CBA
POWER SUPPLY CBA
MAIN CBA
IC1006
(SHUNT REGULATOR)
REG
F
HOT CIRCUIT. BE CAREFUL.
20
19
18
17
16
15
14
13
12
11
Q1006
Q1005
Q1011
1 EV+1.2V
2 EV+1.2V
3 EV+1.2V
4 EV+3.3V
5 EV+3.3V
7 DVD-P-ON+5V
8 EV+11V
9 EV+11V
6 DVD-P-ON+3.3V
19 PWRCON
IC1004
+3.3V REG.
IC1002
+1.2V REG.
CN1001
Q1004
P-ON+5V
DVD-P-ON+12V
-FL
AL+15V
EV+3.3V
DVD-P-ON+3.3V
AL+33V
P-ON+9V
AL-24V
AL+12V
TIMER+5V
AL+5V
DVD-P-ON+5V
NOTE :
The voltage for parts in hot circuit is measured using
hot GND as a common terminal.
CAUTION
FOR CONTINUED PROTECTION AGAINST FIRE HAZARD,
REPLACE ONLY WITH THE SAME TYPE FUSE.
ATTENTION : POUR UNE PROTECTION CONTINUE LES RISQES
D'INCELE N'UTILISER QUE DES FUSIBLE DE MEMO TYPE.
RISK OF FIRE
-REPLACE FUSE AS MARKED.
"This symbol means fast operating fuse."
"Ce symbole reprèsente un fusible à fusion rapide."
A V
F
1 1AL+44V
2 2P-DOWN-L
3 3AL+12V
5 5AL+5V
1
2
3
5
1 1AL+2.35V
3 3AL+4V
CL1004 CN1005
1
2
3
5
9
11
9
11
CN1003
CN1005 CN1003
CL1002
CL1006 CL1007
TO DVD MAIN
CBA UNIT
CN401
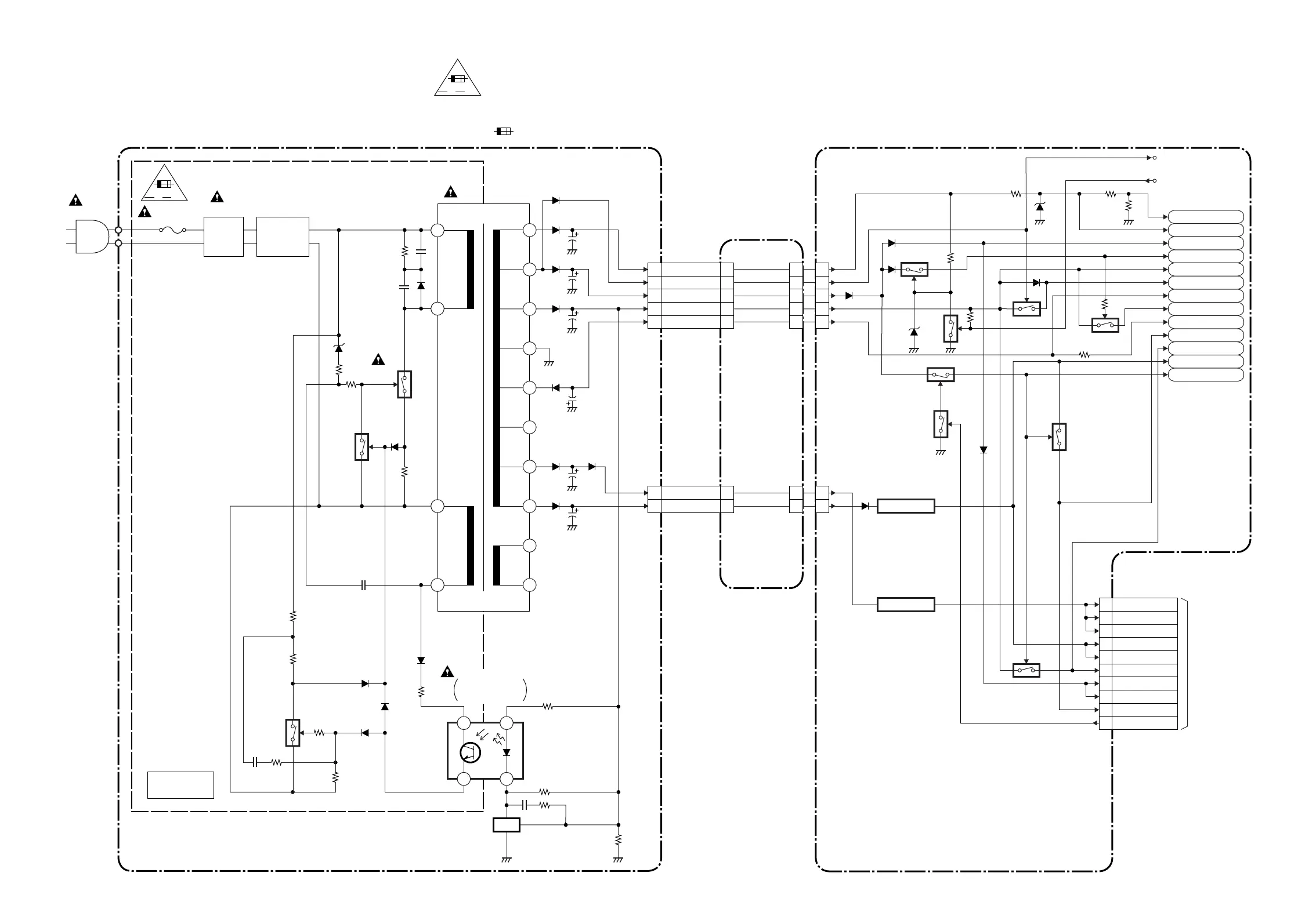
Power Supply Block Diagram
H94X1BLP1-10-7 1-10-8
CAUTION !
Fixed voltage ( or Auto voltage selectable ) power supply circuit is used in this unit.
If Main Fuse (F001) is blown, check to see that all components in the power supply
circuit are not defective before you connect the AC plug to the AC power supply.
Otherwise it may cause some components in the power supply circuit to fail.
P-DOWN-L
(TO PIN1 OF IC501)
P-ON-L
(TO PIN22 OF IC501)
7 7AL-24V 7 7