EasyManua.ls Logo

Emerson U40310001 - Page 30

Emerson U40310001
208 pages
Print Icon
To Next Page IconTo Next Page
To Next Page IconTo Next Page
To Previous Page IconTo Previous Page
To Previous Page IconTo Previous Page
Loading...
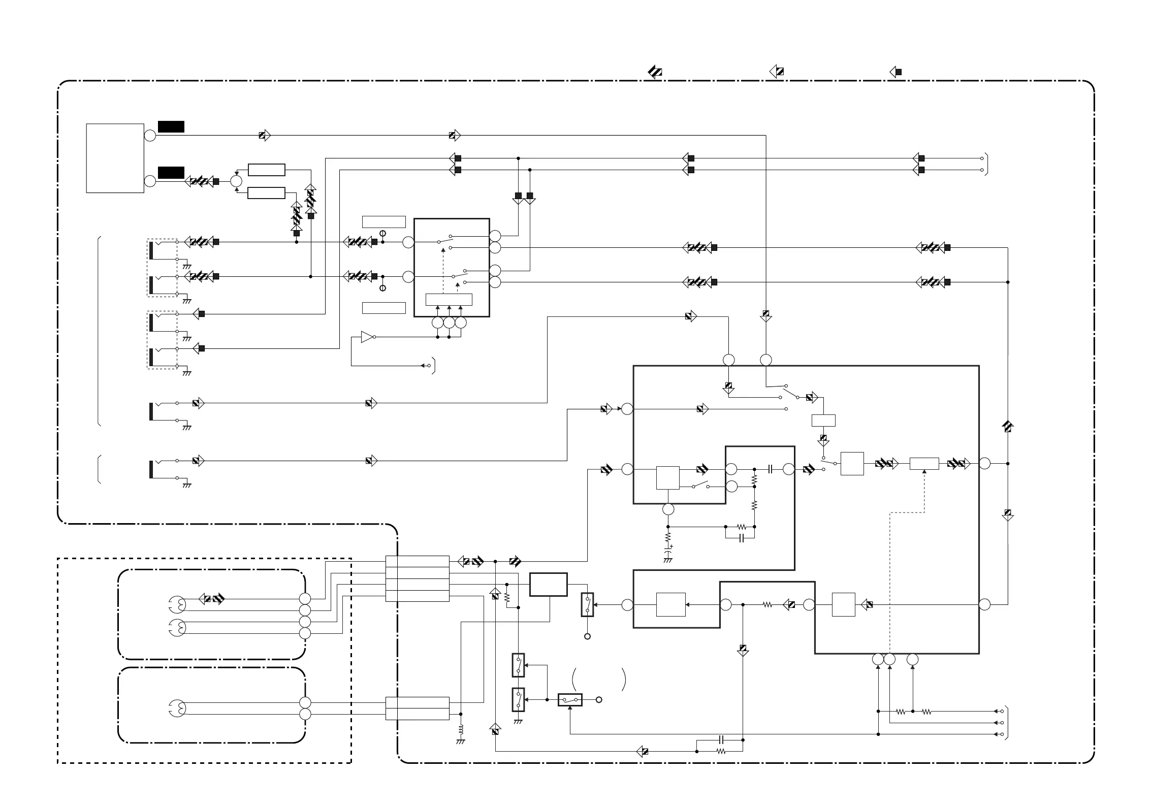
TU701
AUDIO-OUT
Audio Block Diagram
MOD-A
REC
AMP
7
6
AUTO
BIAS
99
P-ON+5V
P-ON+5V
Q421
BIAS
OSC
Q422
Q423 (PB=ON)
Q424
(PB=ON)
Q425
SWITCHING
D-REC OFF
4
EQ
AMP
LINE
AMP
MUTE
96
SP/LP-ON
P
R
ALC
(AUDIO PROCESS) 76
80
78
TUNER
LINE 1
LINE 2
2
14
4 A-PB/REC
CL504
3 A-COM
1 AE-H
2 AE-H/FE-H
AUDIO
HEAD
AUDIO
ERASE
HEAD
AC HEAD ASSEMBLY
FE HEAD
(DECK ASSEMBLY)
1 FE-H
2 FE-H-GND
CL501
1-10-5 1-10-6 H94X1BLA
MAIN CBA
PB-AUDIO SIGNAL REC-AUDIO SIGNAL Mode : SP/REC
16
11 12
D-REC-H
D-REC-H
REC/EE/PB
A-MUTE-H
D-PB-L
FROM
SERVO/SYSTEM
CONTROL BLOCK
DIAGRAM
FULL
ERASE
HEAD
IC301
JK752
A-IN
JK755
A-IN
FROM DVD VIDEO/AUDIO
BLOCK DIAGRAM
<DVD SECTION>
FRONT
REAR
IC751
(OUTPUT SELECT)
DVD-A(L)
DVD-A(R)
98
1
100
2
3
+
TP753
Q763
A-OUT (R)
BUFFER
Q762
BUFFER
TP754
A-OUT (L)
SW CTL
DVD
VCR
DVD
VCR
JK751
A-OUT (R)
A-OUT (L)
JK756
A-OUT (R)
A-OUT (L)
9 10 11
5
3
12
13
Q760
14
4
OUTPUT SELECT
FROM SERVO/SYSTEM
CONTOL BLOCK
DIAGRAM
DVD AUDIO SIGNAL
WF14
WF10