EasyManua.ls Logo

Emerson Unidrive M701 - Page 32

Emerson Unidrive M701
48 pages
To Next Page IconTo Next Page
To Next Page IconTo Next Page
To Previous Page IconTo Previous Page
To Previous Page IconTo Previous Page
Loading...
32 Unidrive M700/M701 / Unidrive HS70/HS71 Control Getting Started Guide
Issue Number: 2
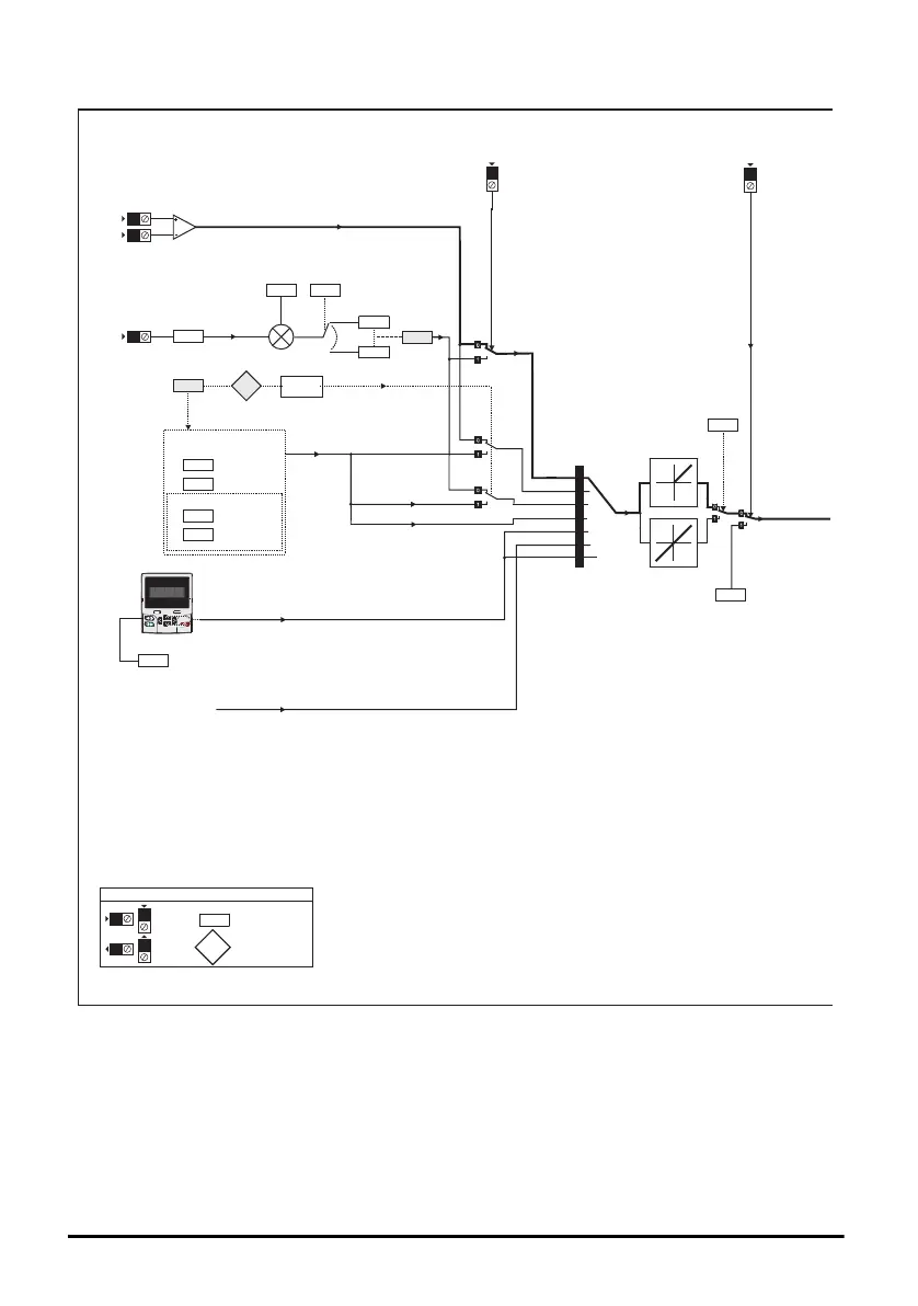
Figure 5-1 Menu 0 logic diagram
Analog
Input 2
Mode
00.019
5
6
7
Analog reference
Keypad reference
00.XXX
00.XXX
Key
Read-write
(RW)
parameter
Read-only
(RO)
parameter
Input
terminals
Output
terminals
X
X
X
X
The parameters are all shown in their default settings
00.024
00.025
00.026
00.027
Preset
Frequency 1
Preset
Frequency 2
Preset
Frequency 3
Preset
Frequency 4
Preset frequency
reference
Analog
Reference 2
+
+
00.020
??.??
Any
unprotected
variable
parameter
??.??
01.037
Analog
Input 2
Destination
00.013
28
29
0
1
2
3
4
5
Precision reference
Analog
Input 2
Offset Trim
Open Loop only
00.024
Bipolar
Reference
Select
00.028
Enable Forward /
Reverse Key
00.023
Jog Reference
A1.A2
A1.Preset
A2.Preset
Preset
Keypad
Precision
6
01.015
01.050
Pr
set
01.050
>1
Keypad Ref
Unidrive M700_M701 Getting Started Guide English iss7.book Page 32 Friday, December 12, 2014 1:14 PM

Other manuals for Emerson Unidrive M701

Related product manuals