EasyManua.ls Logo

EMKO TRANS-AMF - Page 3

EMKO TRANS-AMF
29 pages
Print Icon
To Next Page IconTo Next Page
To Next Page IconTo Next Page
To Previous Page IconTo Previous Page
To Previous Page IconTo Previous Page
Loading...
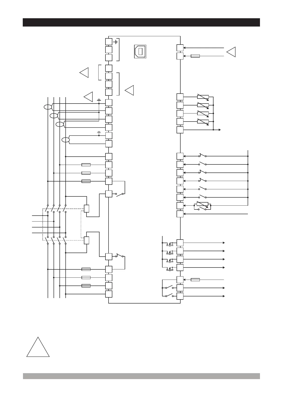
2.3ElectricalConnection
3
TRANS-AMF threephaseconnectionsschematic
1- Connecttheunitasshownintheappropriatediagram.Besuretoconnectthebattery
supplytherightwayroundandbatterynegativeshouldbegrounded.
2- TheCANinterfacerequiresthata120Ohmsterminatorisfittedtoeachendofthe
communicationslink. Thisterminationresistorisfittedinternallyintotheunit.Soitisnot
requiredexternally. ThescreenisgroundedatoneendONLY.
ScreenedcablemustbeusedforconnectingtheMagneticPickup,ensuringthatthe
screenisgroundedatoneendONLY.
i
3-
4-Currenttransformerssecondaryshouldbegrounded. TheCT of5VA srecommended.
!
25
LevelSenderor
Configurable AnalogInput-1
TemperatureSender
OilSender
24
23
35
21
22
BATTERY -
BATTERY +
40
42
41
5A
BATTERY +
27
26
Configurable AnalogInput-2
SenderCommon
18
19
17
H(+)
L(-)
J1939ECUs
34
33
BATTERY -
32
31
30
29
28
HighTemperatureor
ConfigurableInput-5
LowOilPressureor
ConfigurableInput-4
WaterLevelor
ConfigurableInput-3
ConfigurableInput-2
ConfigurableOutput-5
ConfigurableOutput-6
5A
ToEngine
Earth
USB
SCR
FUSE-7
FUSE-8
*
*
ITCANBEUSED
AS A DIGITAL INPUT
BY SELECTING
FROMTHEPROGRAM
PARAMETERS
*
*
*
3
1
ConfigurableOutput-3
39
38
37
36
ConfigurableOutput-4
TRANSISTOROUTPUTS
MAX.1 A
BATTERY +
20
-(SCR) +
MPU
2
EmergencyStopor
ConfigurableInput-1
ConfigurableInput-6
6
2
7
3
8
8A
8A
1
4
9
10
5
L1
GENERATOR
MAINS
L2
L3
N
M
LOAD
G
L1
L2
L3
N
Electricalinterlock
Mechanicalinterlock
11
12
13
14
15
16
Mains
Contactor
Relay
Generator
Contactor
Relay
FUSE 1-
FUSE 2-
FUSE 3-
FUSE-4
FUSE-5
FUSE-6
4
!
!
!
!
FuelOr
Output-1Configurable
CrankOr
Output-2Configurable
D+(W.L.)
Charge Alt.
Max.300VV
Max.300VV
CabinTemperatureor
ConfigurableInput-7
FUSE FUSE FUSE-5, FUSE-6 FUSE-3, FUSE-4 8A. T
FUSE-7 6A. T
FUSE-8 Max. 10A. T
-1, -2, 2A. T
44
45
43
A(+)
B(-)
RS-485
(Optional)

Other manuals for EMKO TRANS-AMF

Related product manuals