EasyManua.ls Logo

EMMO E-mini B - Wiring Diagram and Bike Information; Wiring Diagram Explanation; Bicycle Information Recording

EMMO E-mini B
21 pages
Print Icon
To Previous Page IconTo Previous Page
To Previous Page IconTo Previous Page
Loading...
21
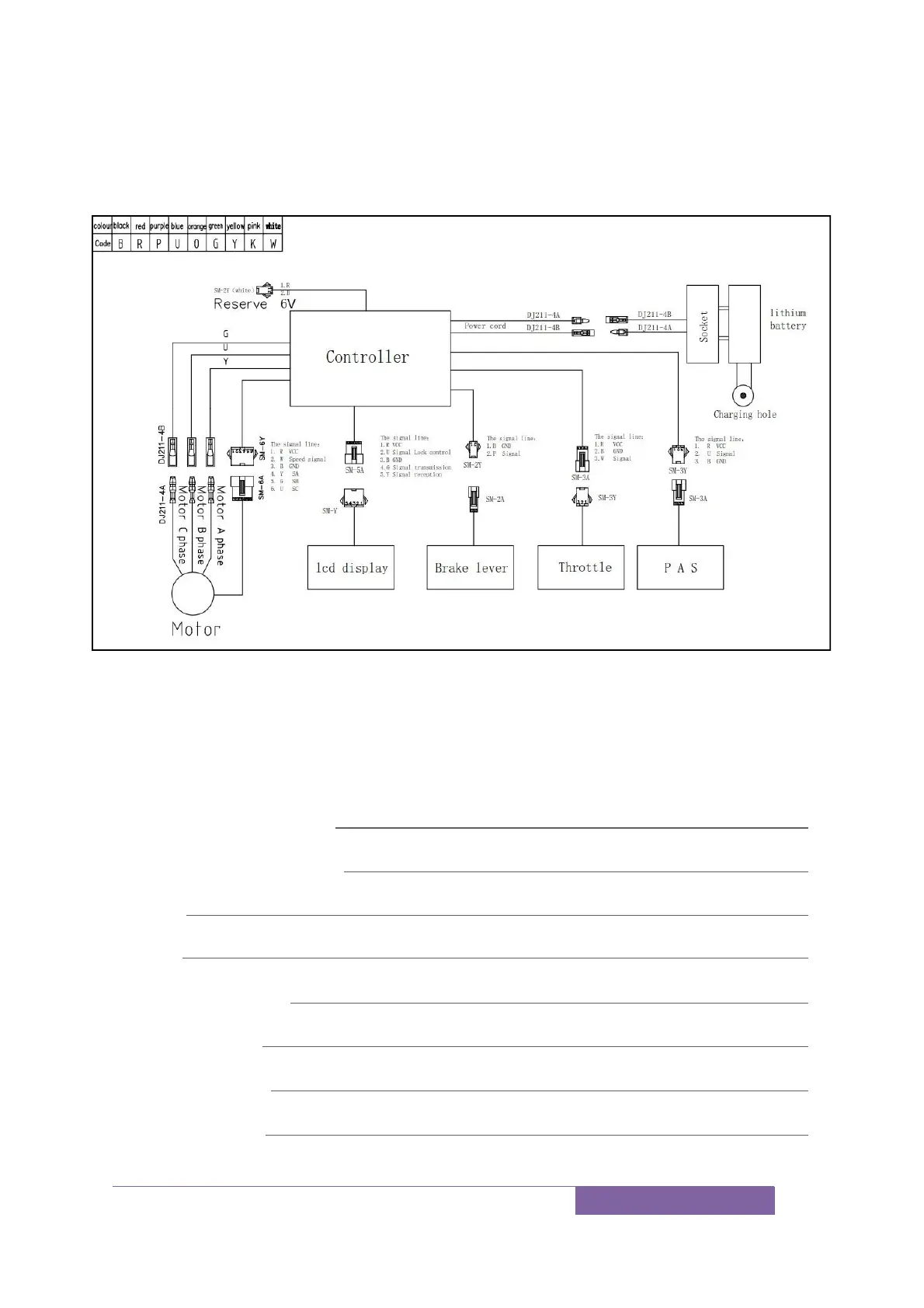
WIRINGDIAGRAM
This wiring diagram is only for reference, if any question you have, please contact
customer service for any repair.
RECORDINGYOUREMMO
BIKEINFO
BICYCLE SERIAL NUMBER:
BATTERY SERIAL NUMBER:
MODEL:
COLOR:
DATE OF PURCHASE:
DEALERS NAME:
DEALERS PHONE:
DEALERS EMAIL:

Related product manuals