EasyManua.ls Logo

Emtron DX-3 - Circuit Diagram - Control Board

Default Icon
42 pages
Print Icon
To Next Page IconTo Next Page
To Next Page IconTo Next Page
To Previous Page IconTo Previous Page
To Previous Page IconTo Previous Page
Loading...
32
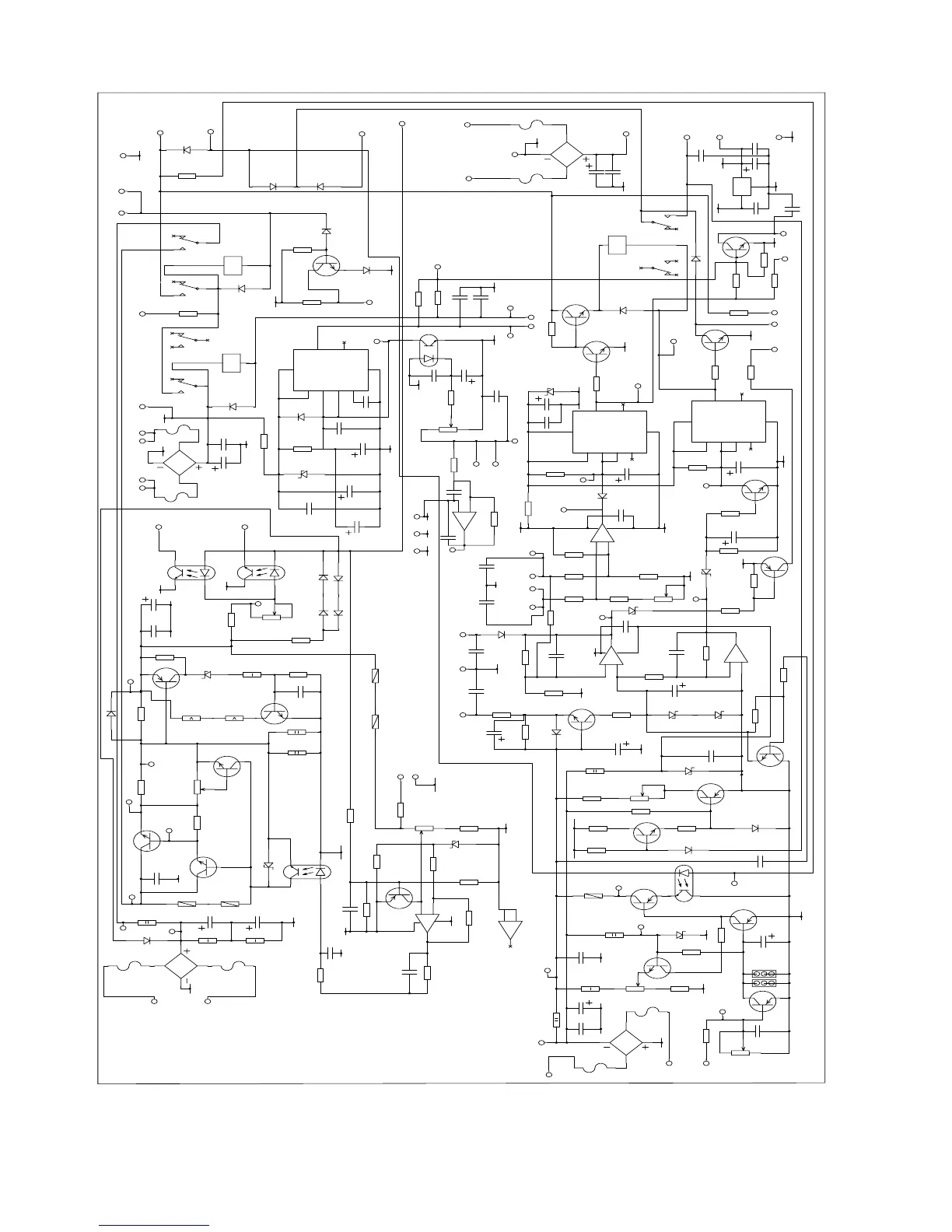
15.9 Circuit Diagram – CONTROL BOARD
BR3
LBA291
C22
10uF
C21
10nF
X2.
U10
PC521
1N4148
D27
1N4148
D28
X8.
BC557
Q8
68R
R18
2k2
R17
MPSA92
Q23
X7.
22
R7
1K
R6
BC547
Q3
MJE16002
Q2
220K
R5
220K
R4
2K2
R14
100k
R15
D1
62V
ZTX558
Q4
10nF
C19
240R
R10
X5.
C1
150uF/400V
C2
150uF/400V
C1
NC1NO1 NO2 NC2
C2
V2
V1
RL2
M4-12H
160K
R78
220K
R2
220K
R1
BR1
WO6
X7.
X7.
R13
6K8
R12
6k8
4.7nF
C4
U8
PC521
BZX79C24V
D26
1K
R26
-
+
OUT
LM358
(4=GND, 8=12V)
U1
D10
5V6
39K
R33
1K
R30
1K
R28
4K7
R27
100nF
C3
BC557
Q18
330K
R31
330K
R32
220k
R29
X8. X7.
X1.
12K
R34
TIPL760A
Q5
X1. X1.
330k
R36
U6
PC521
C20
10uF/450V
BC557
Q9
100nF
C11
5K
POT4
2K2
R47
R67
100k
X1.
10uF/25V
C17
IN OUT
COM
U13
7805
X1.
MPSA92
Q7
2K2
R40
8k2
R48
33K
R39
1M
R75
X3.
POT1
500R
15K
R37
BZX79C5V6
D11
R35
12K
25uF/160V
C9
BR2
WO6
X2.
X2.
1N4148
D12
33kR41
D14
12V
X4.
1uF
C10
X4.
X4.
D13
4V3
-
+
OUT
LM358
(4=-12V, 8=12V)
U2
-
+
OUT
U2
(4=-12V, 8=12V)
8K2
R45
22K
R43
100k
R44
X4.
X4.
X6.
18K
R46
POT5
R49
8k2
R51
8k2
R52
POT2
5K
-
+
OUT
U1
LM358
(4=GND, 8=12V)
1N4148
D17
D16
12V
C14
10uF
X1.
R53
300k
VC
GND
CLK
OUT
R
TH
RC
VCC
U3
LMC555
R57
100R
R59
8k2
BC547
Q11
1N4148
D19
R58
8k2
C1
NC1 NO1NO2NC2
C2
V2
V1
RL4
M4-12H
BC547
Q12
10uF
C13
D15
4V3
8k2
R54
100K
R56
BC547
Q10
X6.
8k2
R55
10uF
C12
BC547
Q13
POT6
500R
8k2
R60
470R
R61
1N4007
D18
X6.
X6.
1K
R62
-
+
OUT
LM358
(4=-12V, 8=12V)
U14
X7. X7.
VC
GND
CLK
OUT
R
TH
RC
VCC
U5
LMC555
X6.
1K
R65
X5.
X5.
1K
R42
1K
R64
2k2
R63
BC547
Q14
C5
4700uF/16V
C7
22uF
C1
NC1NO1 NO2 NC2
C2
V2
V1
RL1
M4-12H
1N4007
D8
X5.
1N4148
D5
X5.
1K
R21
ZTX658
Q1
X5.
X3.
X4.
1K
R22
X3.
1N4148
D6
X3.
VC
GND
CLK
OUT
R
TH
RC
VCC
U4
LMC555
1N4148
D7
R69
8k2
1N4007
D9
X3.
X3.
X2.
R19
100R
R20
5M6
C6
100nF
D4
12V
U11
PC521
POT3
50K
4.7nF
C45
R23
100R
C8
10uF/16V
22k
R24
22k
R25
R66
100K
X6.
LP2
C15
100uF/50V
C16
100nF
BR4
WO6
X2.
1nF/1KV
C18
R50
5K
1K
100R
1
2
3
SW1
X2.
U9
PC521
D22
1N4148
D20
1N4148
R68
100K
D21
1N4148
Q15
BC547
C24
4.7nF
C25
10uF
BC547
Q16
C26
10uF
R70
22k
C27
4.7nF
D23
4V3
100nF
C28
4.7nF
C29
D24
15V
Q17
BC557
R71
8k2
R72
8K2
C30
4.7nF
100nF
C40
4.7nF
C31
C32
4.7nF
X8.
ZTX658
Q6
X8.
X8.
22nF/630V
C33
4.7nF/1kV
C34
4.7nF/1kV
C35
1uF/160V
C36
1N4148
D2
1N4148
D3
10nF
C41
10nF
C42
1N4148
D25
4.7nF
C39
100K
R73
4.7nF
C37
1M5
R74
2.2uF
C47
10nF
C51
1
2
3
10K
R76
100k
POT7
4.7nF
C49
4.7nF
C48
3M3
R38
22R
R3
160K
R8
4.7nF
C43
F6
F5
X9.
F8F7
F4
F3
F2
F1
LP1
X9.
X9.
BC547
Q22
2K2
R84
300k
R83
1N4148
D32
1k
R85
68k
R86
1N4148
D33
4.7nF
C46
BC547
Q25
100nF
C50
4k7
R88
300K
R87
10nF
C23
100k
R91
4.7nF
C54
4.7nF
C53
8k2
R92
D29
1N4007
D29
5k
POT8
12k
R90
4k7
R89
-
+
OUT
U12
(4=GND, 8=12V)
U14
22uF
C56
10nF
C52
10pF
C55
1N4148
D30
5V
5V
5V
-12V
-12V
12V
12V
12V
12V
12V
12V
12V
12V
GND
GND
GND
GND
GND GND GND
GND
GND
GND
GND
GND
GND
GND
GND
GND
GND
GND
GND
GND
GND
GND
GND
GND
GND
GND
GND
GND
GND
GND
GND
GND
GND
GND
GND
GND
GND
GND
GND
AMPC v.3F DEC2002
7
6
5
3
2
1
3
PTT2
6
IPTRIP2
TP2
D
A
4
5
2
2
3
1
5
6
5
1
1
13
4
3
56
24
5
66
4
62
1
43
3
4
2
341
3254
615
1
2
3
5
6
2
1
T110-2
T110-2
T110-1
T110-1
8
8
7
7
6
6
5
5
4
4
3
3
2
2
1
1
4
32
1
8
7
6
5
4
3
2
1
4
32
1
4
3
2
1
7
6
5
3
2
1
7
6
5
4
32
1
3
2
1
4
3
2
1
EMTRON
300VAC2
300VAC1
12VP READY
RLY2
RLY1
SWR/FLT
OD/TX
EG2
IG2F
FORWARD
IG2R
BIAS
RFIN
100VAC1
100VAC2
IPTRIP
SWR4SWR3SWR2SWR1
ALC1ALC2
O/DRIVE
TXON
SWR
FAULT
5V DISPLAY
PTT1
22VAC2
22VAC1
QSK2
QSK1
STBY2
STBY1
10VAC2
10VAC1
HLSW2
HLSW1
DISPLAY
REVERSEDISPLAY
T4
T2
T3
B
E
C
T1
400
T9
T8
T7
T10
T11
T12
T13
T15
T18
T14
T16
T6
T17
T19
T20

Table of Contents

Related product manuals