EasyManua.ls Logo

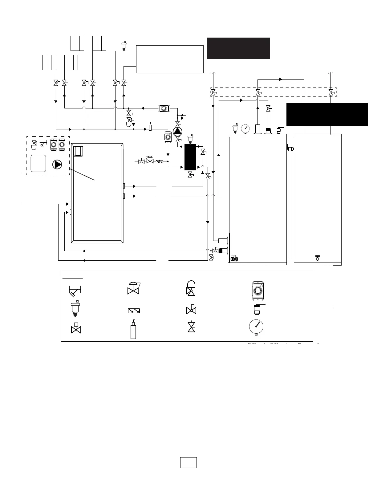
Enertech EAV Series - Piping Diagram - Indoor Module with Hydraulic Separator

Enertech EAV Series
104 pages
Print Icon
To Next Page IconTo Next Page
To Next Page IconTo Next Page
To Previous Page IconTo Previous Page
To Previous Page IconTo Previous Page
Loading...
Enertech Global 
EAV - EME/EMD Rev. A Models
Installaon and Operaons Manual
WV Installation: Heat & Cool-with Hot Water
OPTIONAL
NON-PRESSURIZED
FLOW CENTER
TO
LOOP
FIELD
FROM
LOOP
FIELD
SOURCE IN
SOURCE OUT
P/TP/T
P/T
SOURCE IN
SOURCE OUT
TO
LOOP
FIELD
FROM
LOOP
FIELD
FLUSH
VALVE
Type XXXX XX-XX XXX
XXXV ~
XX/XXHz
GFXXX
EuP Ready
I
1/1
(A)
P
1
(W)
X.XX
X.XX
XX
XX
Max.
Min.
P/N:XXXXXXX
PC:XXXXXX
IP XX
TF XX
Max.X.XMPa
A
High Efficiency
XX
EEI<0.23
NOTE 5
HYDRAULIC
SEPARATOR
RADIANT
FLOOR
HEATING
ZONE 2
RADIANT
FLOOR
HEATING
ZONE 3
HYDRONIC
AIR HANDLER
ZONE 1
DHW OUT
ΔP
LOAD OUT
NOTE 4
NOTE 7
NOTE 6
NOTE 6
NOTE 6
NOTE 6
TURBOMAX
WATER HEATER
DOMESTIC
HOT
WATER
DOMESTIC
COLD
WATER
HOT
HOTCOLD
COLD
LOAD
IN
LOAD
OUT
BACKUP
ELECTRIC OR GAS
WATER HEATER
AUTOMATIC
AIR VENT
3-WAY FLUSH
VALVE
PRESSURE
RELIEF VALVE
PRESSURE
GAUGE
ΔP
LEGEND
WYE STRAINER
ACTUATED
ZONE VALVE
PRESSURE
REDUCING VLV
BACK-FLOW
PREVENTER
AIR ELIMINATOR
DIF. PRESSURE
BYPASS VALVE
ISOLATION BALL
VALVE
BOILER DRAIN
ALWAYS CHECK LOCAL CODE REQUIREMENTS TO ENSURE THAT THE INSTALLATION MEETS CURRENT
CLOSELY SPACED TEES FOR CONNECTION TO BACKUP BOILER. SEE FIGURE 12D FOR DETAILS.
NOTES:
1. INSTALLATION DIAGRAM SHOWN ABOVE IS AN EXAMPLE OF A TYPICAL (RECOMMENDED) INSTALL. ADDITIONAL
ZONES ARE ALLOWED, AS WELL AS ALTERNATE PIPING LAYOUTS.
2. UNIT CONFIGURATION/MODEL INCLUDES INDIRECT DHW TANK.
3. A HOSE KIT HAS BEEN PROVIDED WITH THE UNIT AND SHOULD BE INSTALLED AT THE OUTDOOR UNIT.
AN AUTOMATIC AIR VENT AND AIR SEPARATOR ARE SUPPLIED AS FIELD INSTALLED COMPONENTS.
4.
5.
6.
9.
BYPASS VALVE (REQUIRED) IS USED TO AVOID DEAD-HEADING PUMP IF ALL ZONE VALVES ARE CLOSED.
FIELD PROVIDED.
REGULATORY STANDARDS.
ALL PIPING MUST BE “HOME RUN” STYLE. ALL RADIANT MANIFOLDS AND AIR HANDLER UNIT ZONE VALVES
SHOULD BE LOCATED IN THE MECHANICAL TO FACILITATE FLUSHING/PURGING OF AIR FROM SYSTEM.
7.
AT HIGHEST POINT IN SYSTEM.
8.
See Figure 11.
NOTE 6 NOTE 6 NOTE 6
BUFFER TANK REQUIRED IF ANY
FAN COIL/AIR HANDLER ZONES
ARE SMALLER THAN 2 TONS
(SEE FIGURE 12D).
CAUTION
MAKE-UP
WATER
SYSTEM
PUMP
NOTE 8
NOTE 6
ΔP
Expan.
Tank
FACTORY INSTALLED
INTERNAL TO UNIT
INDOOR UNIT
LOAD IN
DHW IN
NOTE 6
NOTICE:
BACKUP WATER
HEATER STRONGLY
RECOMMENDED FOR
RESIDENTIAL
APPLICATIONS
WV Installation: Heat & Cool-with Hot Water
OPTIONAL
NON-PRESSURIZED
FLOW CENTER
TO
LOOP
FIELD
FROM
LOOP
FIELD
SOURCE IN
SOURCE OUT
P/TP/T
P/T
SOURCE IN
SOURCE OUT
TO
LOOP
FIELD
FROM
LOOP
FIELD
FLUSH
VALVE
Type XXXX XX-XX XXX
XXXV ~
XX/XXHz
GFXXX
EuP Ready
I
1/1
(A)
P
1
(W)
X.XX
X.XX
XX
XX
Max.
Min.
P/N:XXXXXXX
PC:XXXXXX
IP XX
TF XX
Max.X.XMPa
A
High Efficiency
XX
EEI<0.23
NOTE 5
HYDRAULIC
SEPARATOR
RADIANT
FLOOR
HEATING
ZONE 2
RADIANT
FLOOR
HEATING
ZONE 3
HYDRONIC
AIR HANDLER
ZONE 1
DHW OUT
ΔP
LOAD OUT
NOTE 4
NOTE 7
NOTE 6
NOTE 6
NOTE 6
NOTE 6
TURBOMAX
WATER HEATER
DOMESTIC
HOT
WATER
DOMESTIC
COLD
WATER
HOT
HOTCOLD
COLD
LOAD
IN
LOAD
OUT
BACKUP
ELECTRIC OR GAS
WATER HEATER
AUTOMATIC
AIR VENT
3-WAY FLUSH
VALVE
PRESSURE
RELIEF VALVE
PRESSURE
GAUGE
ΔP
LEGEND
WYE STRAINER
ACTUATED
ZONE VALVE
PRESSURE
REDUCING VLV
BACK-FLOW
PREVENTER
AIR ELIMINATOR
DIF. PRESSURE
BYPASS VALVE
ISOLATION BALL
VALVE
BOILER DRAIN
ALWAYS CHECK LOCAL CODE REQUIREMENTS TO ENSURE THAT THE INSTALLATION MEETS CURRENT
CLOSELY SPACED TEES FOR CONNECTION TO BACKUP BOILER. SEE FIGURE 12D FOR DETAILS.
NOTES:
1. INSTALLATION DIAGRAM SHOWN ABOVE IS AN EXAMPLE OF A TYPICAL (RECOMMENDED) INSTALL. ADDITIONAL
ZONES ARE ALLOWED, AS WELL AS ALTERNATE PIPING LAYOUTS.
2. UNIT CONFIGURATION/MODEL INCLUDES INDIRECT DHW TANK.
3. A HOSE KIT HAS BEEN PROVIDED WITH THE UNIT AND SHOULD BE INSTALLED AT THE OUTDOOR UNIT.
AN AUTOMATIC AIR VENT AND AIR SEPARATOR ARE SUPPLIED AS FIELD INSTALLED COMPONENTS.
4.
5.
6.
9.
BYPASS VALVE (REQUIRED) IS USED TO AVOID DEAD-HEADING PUMP IF ALL ZONE VALVES ARE CLOSED.
FIELD PROVIDED.
REGULATORY STANDARDS.
ALL PIPING MUST BE “HOME RUN” STYLE. ALL RADIANT MANIFOLDS AND AIR HANDLER UNIT ZONE VALVES
SHOULD BE LOCATED IN THE MECHANICAL TO FACILITATE FLUSHING/PURGING OF AIR FROM SYSTEM.
7.
AT HIGHEST POINT IN SYSTEM.
8.
See Figure 11.
NOTE 6 NOTE 6 NOTE 6
BUFFER TANK REQUIRED IF ANY
FAN COIL/AIR HANDLER ZONES
ARE SMALLER THAN 2 TONS
(SEE FIGURE 12D).
CAUTION
MAKE-UP
WATER
SYSTEM
PUMP
NOTE 8
NOTE 6
ΔP
Expan.
Tank
FACTORY INSTALLED
INTERNAL TO UNIT
INDOOR UNIT
LOAD IN
DHW IN
NOTE 6
NOTICE:
BACKUP WATER
HEATER STRONGLY
RECOMMENDED FOR
RESIDENTIAL
APPLICATIONS

1. Installaon diagram shown above is n example of a typical (recommended) install. Addional zones are allowed, as well as
alternave piping layouts.
2. Unit conguraons/model includes indirect DHW tank.
3. A ex tubing kit has been provided with the unit and should be installed at the outdoor unit. An automac air vent and air
separator are supplied as eld installed components.
4. All piping must be “Home Run” style. All radiant manifolds and air handler unit zones valves should be located in the mechanical
room to facilitate ushing/purging of air from system.
5. Bypass valve (required) is used to avoid dead-heading pump if all zone valves are closed. See  for details.
6. Field Provided
7. At highest point in the system.
8. Closely spaced tees for connecon to backup boiler. See  for details
9. Always check local code requirements to ensure that the installaon meets current regulatory standards.

BACKUP ELECTRIC OR
GAS WATER HEATER
(STRONGLY
RECOMMENDED
FOR RESIDENTIAL
APPLICATIONS)
TURBOMAX
WATER HEATER





Table of Contents

Related product manuals