EasyManua.ls Logo

Enertech EAV Series - Refrigerant Circuit - Cooling Mode

Enertech EAV Series
104 pages
Print Icon
To Next Page IconTo Next Page
To Next Page IconTo Next Page
To Previous Page IconTo Previous Page
To Previous Page IconTo Previous Page
Loading...
Enertech Global
EAV - EME/EMD Rev. A Models
Installaon and Operaons Manual
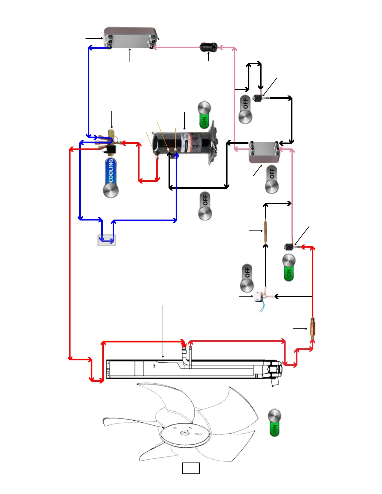
Refrigerant Circuit - Cooling Mode
Reversing Valve
Water Out
Water In
Bi-fow Filter Drier
Electronic
Expansion Vlave
Electronic
Expansion Valve
Subcooler
Check Valve
Solenoid Valve
Strainer
Air Coil
Condenser
Water Heater
Inverter Cooler
Compressor
Discharge Line
Injecon Line
Sucon Line
Brazed Plate Heat
Exchanger (BPHE)
Water Pumps Are Acve
Vapor
Injecon



Table of Contents

Related product manuals