EasyManua.ls Logo

Enerwave ZWN-RSM2-PLUS - 3 Familiarize yourself with Switch; 3.1 Installation

Enerwave ZWN-RSM2-PLUS
8 pages
Print Icon
To Next Page IconTo Next Page
To Next Page IconTo Next Page
To Previous Page IconTo Previous Page
To Previous Page IconTo Previous Page
Loading...
3
Generic Device Class
GENERIC_TYPE_SWITCH_BINARY
Specific Device Class
SPECIFIC_TYPE_NOT_USED
Role Type
Always On Slave (AOS)
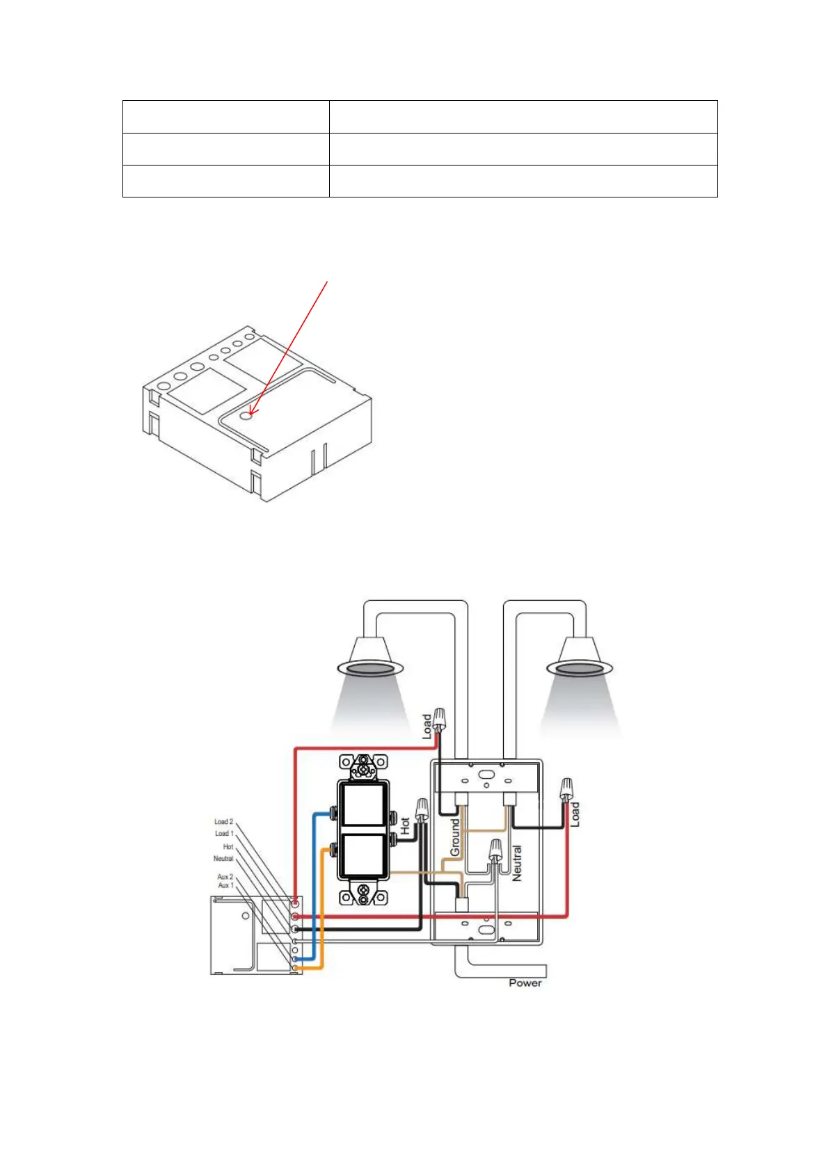
3 Familiarize yourself with Switch
3.1 Installation
4 Security and non-Security features
Z-Wave Button

Other manuals for Enerwave ZWN-RSM2-PLUS

Related product manuals