EasyManua.ls Logo

Enthermics EC1540bl - Page 29

Enthermics EC1540bl
30 pages
Print Icon
To Next Page IconTo Next Page
To Next Page IconTo Next Page
To Previous Page IconTo Previous Page
To Previous Page IconTo Previous Page
Loading...
MN-28646 • Rev 4 • 03/18 • EC Series Fluid Combination Blanket/Fluid Warmer
27
Serial number is required for all inquiries.
Part numbers and drawings are subject to change without notice.
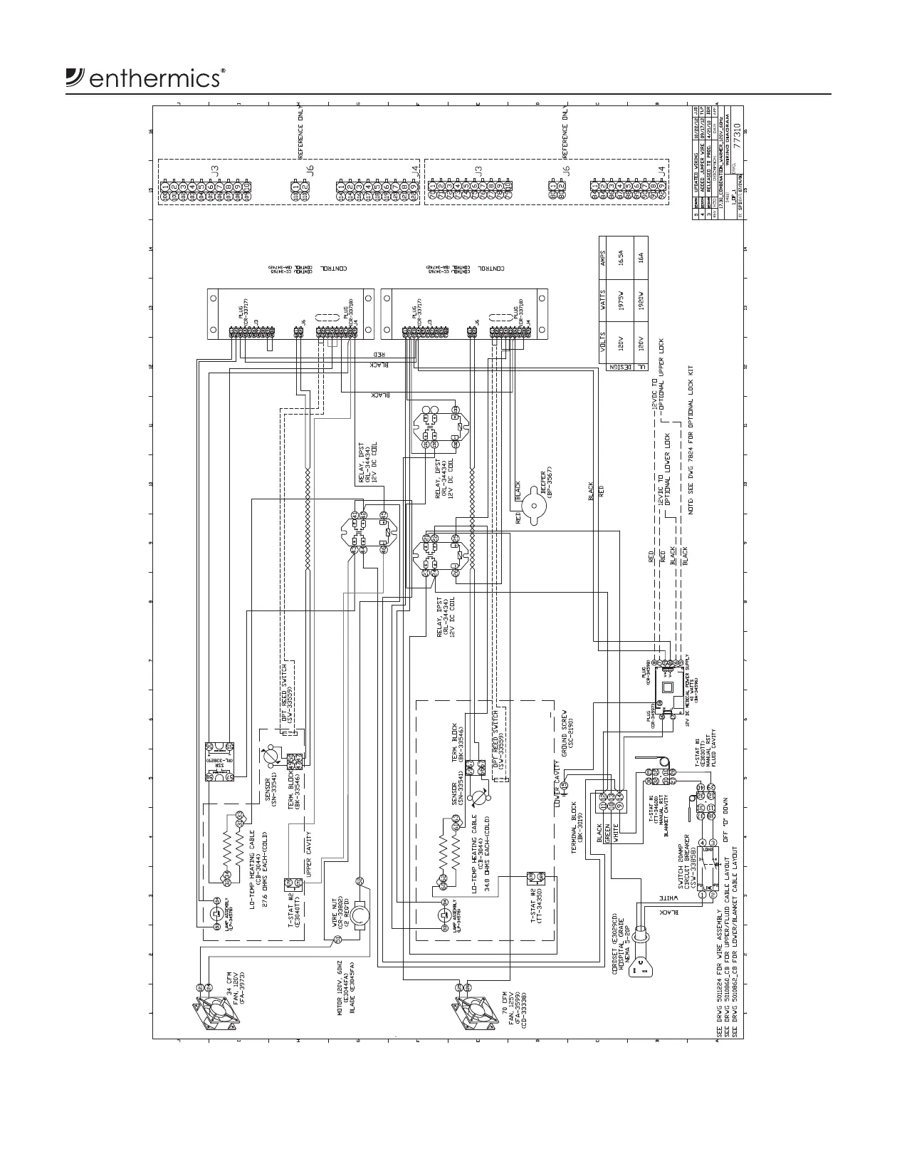
Wire Diagrams
Refer to wire diagram included with the unit.

Other manuals for Enthermics EC1540bl

Related product manuals