EasyManua.ls Logo

Ericsson GH 688 - Page 50

Ericsson GH 688
112 pages
Print Icon
To Next Page IconTo Next Page
To Next Page IconTo Next Page
To Previous Page IconTo Previous Page
To Previous Page IconTo Previous Page
Loading...
GH688,GA628, Standard Electrical Repairs
4/00021-2/FEA 209 544/1.G 50 (112)
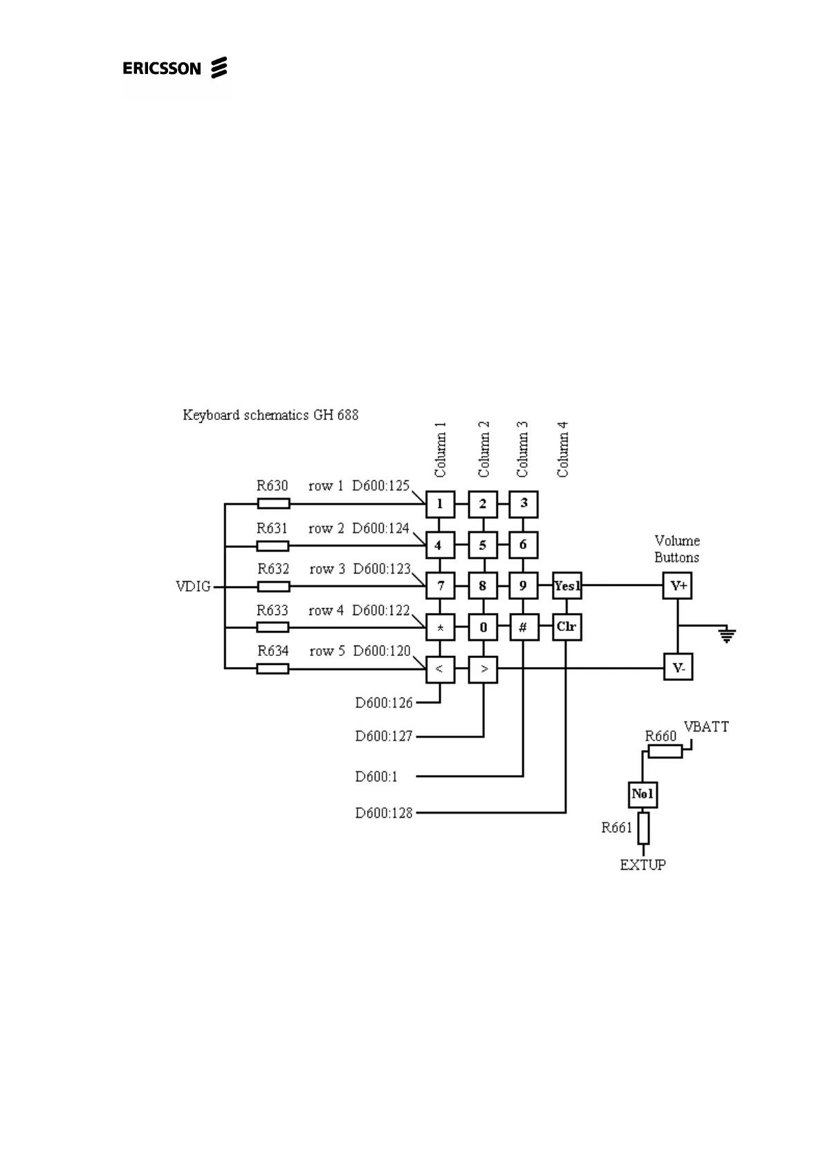
8.3 One or more keys faulty.
Open the phone and check for liquid damage, especially around the keys that are
faulty.
Clean the keyboard pads thoroughly and assemble the phone with a new keyboard.
Check functionality according to 8.1.
If it didn’t help, open the phone, give it power and start it up.
Measure VDIG (~3.2V) on C600 (fig. 8.2).
If VDIG is incorrect, proceed to chapter 3 (“Doesn´t start”-fault).
Fig. 8.3

Related product manuals